LEMON Manuals: Even more car manuals for everyone: 1960-2025
Home >> Toyota >> 2005 >> Matrix Base, 4WD >> Repair and Diagnosis (Single Page) >> Engine Performance >> Engine Control System (SFI) (1ZZ-FE(4WD)) - Diagnostics >> SFI System (1ZZ-FE (4WD)) >> DTC P0120, P0122, P0123: Throttle/Pedal Position Sensor/Switch "A" Circuit Low/High Input >> Wiring Diagram
April 5, 2026: LEMON Manuals is launched! Read the announcement.

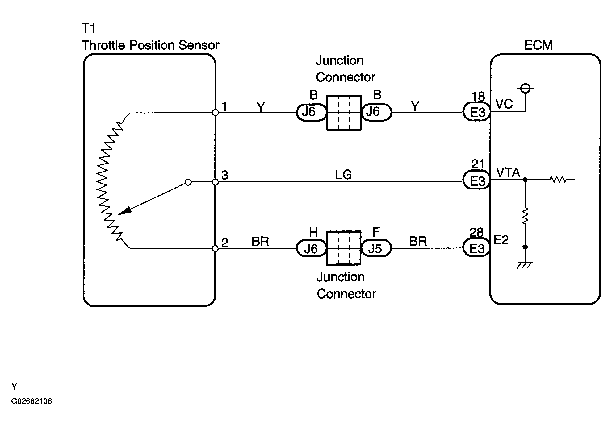
DTC P0120, P0122, P0123: Throttle/Pedal Position Sensor/Switch "A" Circuit Low/High Input: Wiring Diagram

Fig 1: Throttle/Pedal Position Sensor/Switch A - Wiring Diagram
G02662106Courtesy of © TOYOTA, LICENSE AGREEMENT TMS1002