LEMON Manuals: Even more car manuals for everyone: 1960-2025
Home >> Toyota >> 2005 >> Matrix Base, FWD, Automatic >> Repair and Diagnosis (Single Page) >> Accessories & Equipment >> Communication Devices >> Can Communication System - Diagnostics >> Check Can Main Bus Line For Disconnection >> Wiring Diagram
April 5, 2026: LEMON Manuals is launched! Read the announcement.

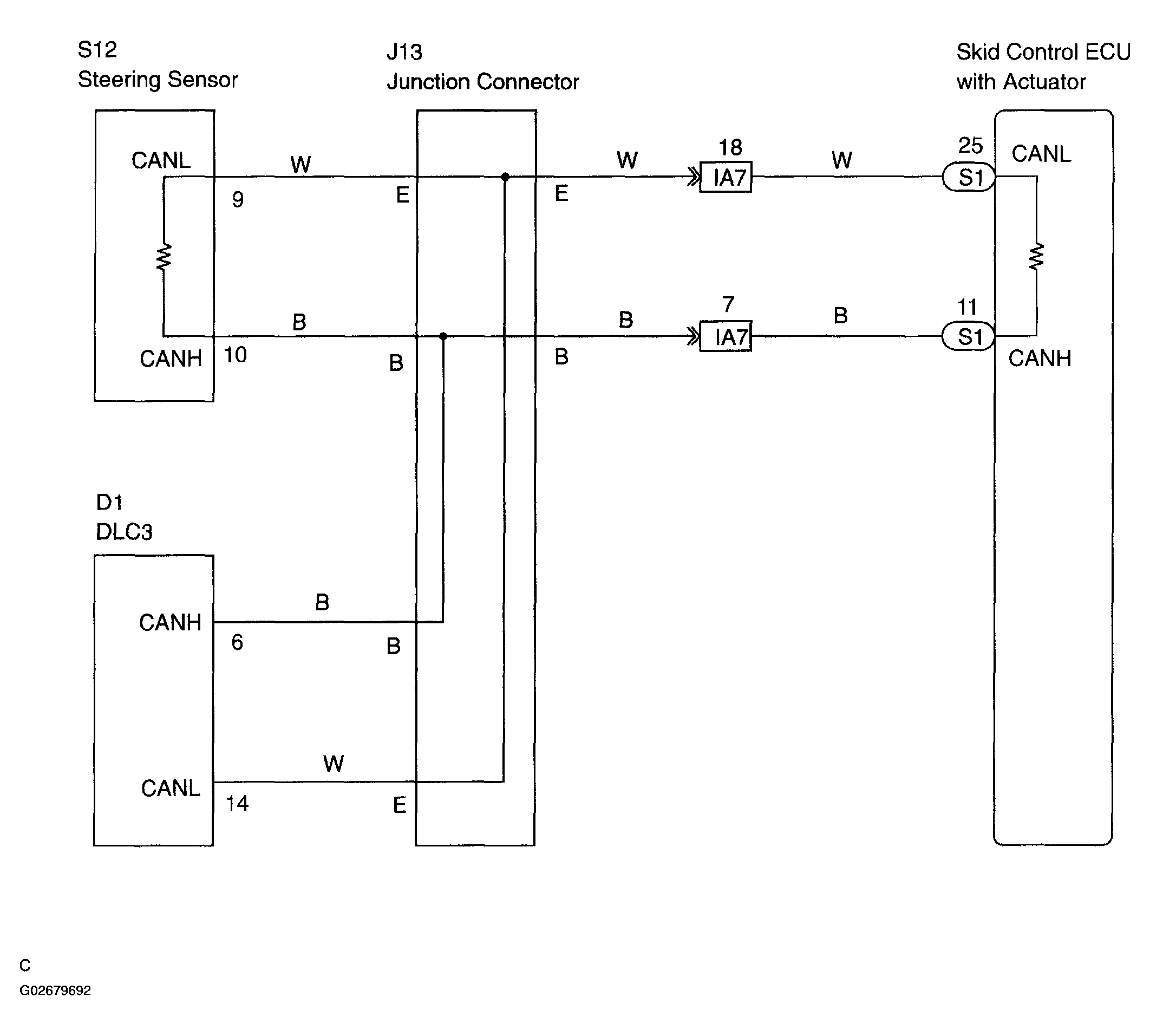
Check Can Main Bus Line For Disconnection: Wiring Diagram

Fig 1: Wiring Diagram - CAN Main BUS Line For Disconnection
G02679692Courtesy of © TOYOTA, LICENSE AGREEMENT TMS1002