LEMON Manuals: Even more car manuals for everyone: 1960-2025
Home >> Toyota >> 2005 >> Matrix Base, FWD, Automatic >> Repair and Diagnosis (Single Page) >> Accessories & Equipment >> Communication Devices >> Can Communication System - Diagnostics >> Yaw Rate Sensor Communication Stop Mode >> Wiring Diagram
April 5, 2026: LEMON Manuals is launched! Read the announcement.

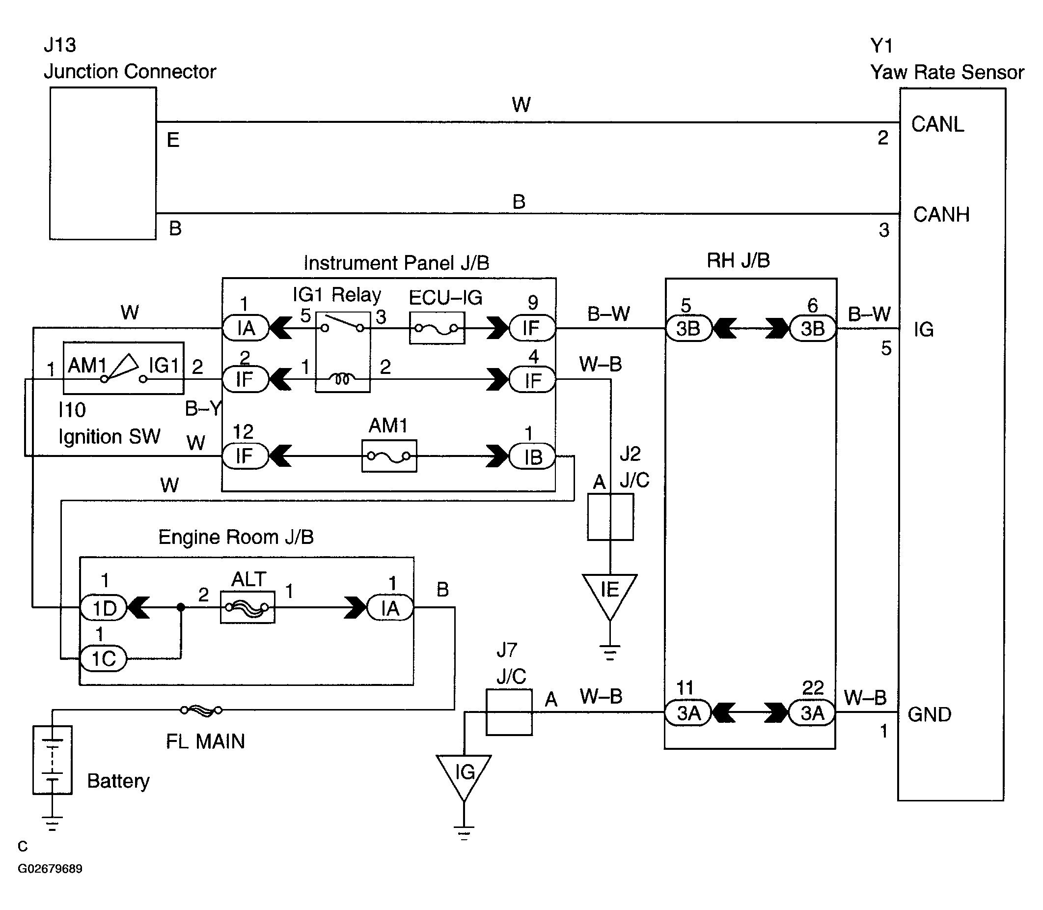
Yaw Rate Sensor Communication Stop Mode: Wiring Diagram

Fig 1: Wiring Diagram - Yaw Rate Sensor Communication Stop Mode
G02679689Courtesy of © TOYOTA, LICENSE AGREEMENT TMS1002