LEMON Manuals: Even more car manuals for everyone: 1960-2025
Home >> Toyota >> 2005 >> Matrix Base, FWD, Automatic >> Repair and Diagnosis (Single Page) >> Accessories & Equipment >> Infotainment >> Navigation System - Diagnostics >> Screen Cannot Be Dimmed When Light Control Switch Is Turned To "Tail" Position >> Wiring Diagram
April 5, 2026: LEMON Manuals is launched! Read the announcement.

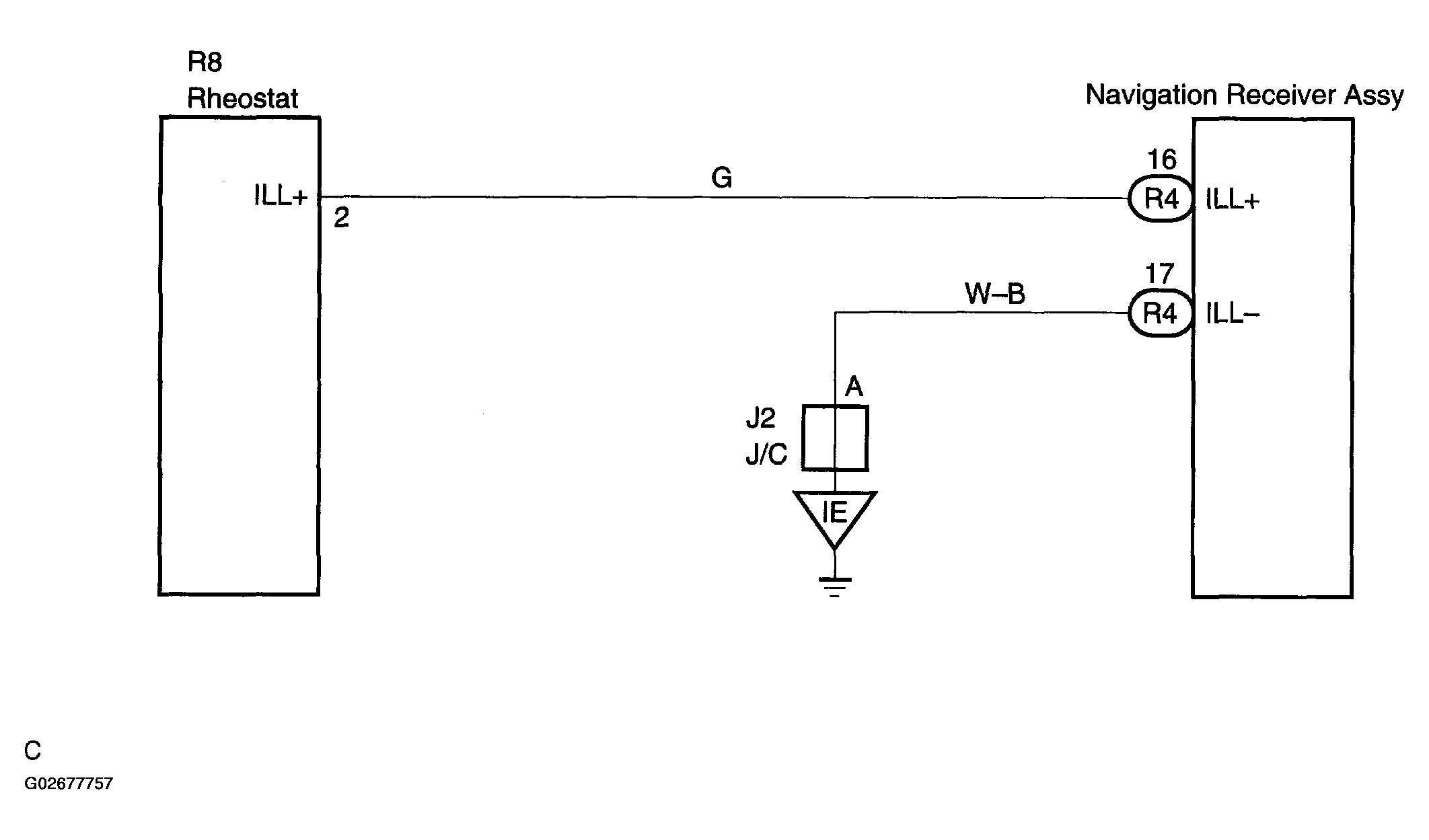
Screen Cannot Be Dimmed When Light Control Switch Is Turned To "Tail" Position: Wiring Diagram

Fig 1: Wiring Diagram - Navigation Receiver Assy (Screen Not Dimmed When Light Control Switch Turned To "TAIL" Position)
G02677757Courtesy of © TOYOTA, LICENSE AGREEMENT TMS1002