LEMON Manuals: Even more car manuals for everyone: 1960-2025
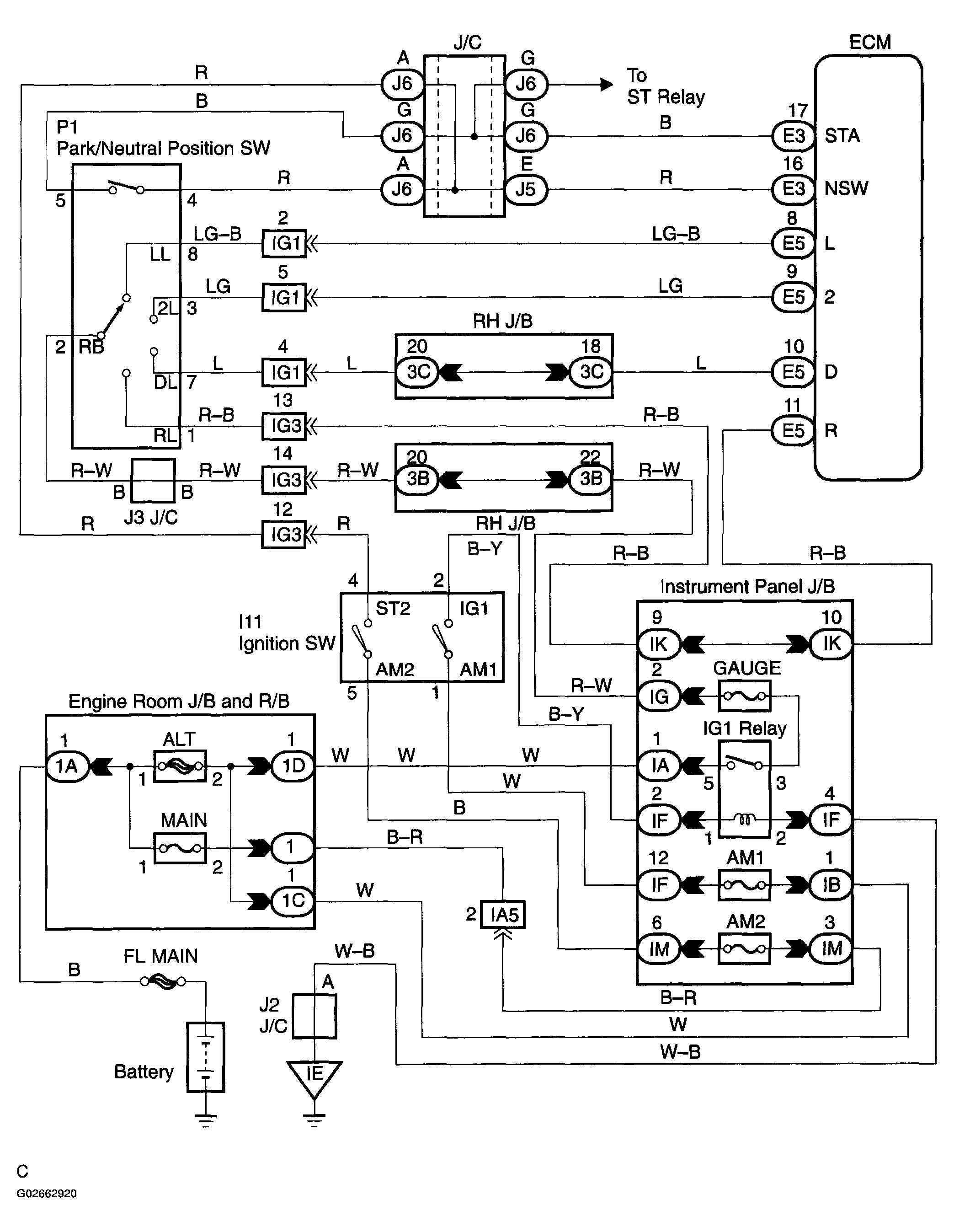
Home >> Toyota >> 2005 >> Matrix Base, FWD, Automatic >> Repair and Diagnosis (Single Page) >> Transmission >> Automatic Trans >> Automatic Transmission Electronic Controlled (ECT) - A246E - Diagnostics >> Electronic Controlled Automatic Transaxle [ECT] (A246E) >> DTC P0705, P0850: Transmission Range Sensor Circuit Malfunction (PRNDL Input) & Park/Neutral Switch Input Circuit >> Wiring Diagram
April 5, 2026: LEMON Manuals is launched! Read the announcement.

DTC P0705, P0850: Transmission Range Sensor Circuit Malfunction (PRNDL Input) & Park/Neutral Switch Input Circuit: Wiring Diagram

Fig 1: Wiring Diagram
G02662920Courtesy of © TOYOTA, LICENSE AGREEMENT TMS1002