LEMON Manuals: Even more car manuals for everyone: 1960-2025
Home >> Toyota >> 2005 >> Matrix Base, FWD, Automatic >> Repair and Diagnosis >> External Pages >> Different variant/trim >> Section 2 (Engine Control System (SFI) (1ZZ-FE(4WD)) - Diagnostics) >> SFI System (1ZZ-FE (4WD)) >> DTC P0325, P0327, P0328: Knock Sensor 1 Circuit Low/High Input (Bank 1 Or Single Sensor) >> Wiring Diagram
April 5, 2026: LEMON Manuals is launched! Read the announcement.

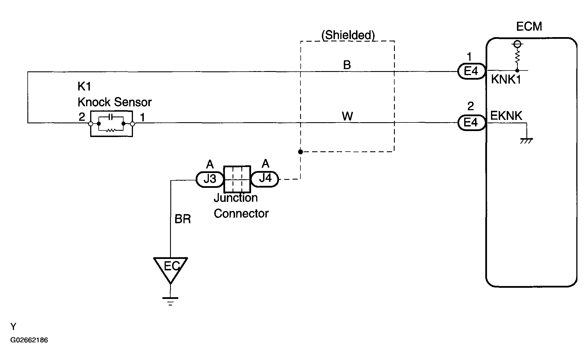
DTC P0325, P0327, P0328: Knock Sensor 1 Circuit Low/High Input (Bank 1 Or Single Sensor): Wiring Diagram

WARNING: This page is about a different variant/trim than selected.
Fig 1: Wiring Diagram
G02662186Courtesy of © TOYOTA, LICENSE AGREEMENT TMS1002