LEMON Manuals: Even more car manuals for everyone: 1960-2025
Home >> Toyota >> 2005 >> Matrix Base, FWD, Automatic >> Repair and Diagnosis >> External Pages >> Different variant/trim >> Section 5 (Transfer Case) >> Transfer ASSY (4WD) >> Overhaul
April 5, 2026: LEMON Manuals is launched! Read the announcement.

Transfer ASSY (4WD): Overhaul

WARNING: This page is about a different variant/trim than selected.
  1. REMOVE ENGINE ASSEMBLY WITH TRANSAXLE (SEE  REPLACEMENT  ) 
  2. SEPARATE VANE PUMP ASSY (SEE  REPLACEMENT  ) 
  3. REMOVE RACK & PINION POWER STEERING GEAR ASSY (SEE  OVERHAUL  ) 
  4. REMOVE FRONT SUSPENSION CROSSMEMBER W/CENTER MEMBER (SEE  REPLACEMENT  ) 
  5. REMOVE MANIFOLD STAY (SEE  REPLACEMENT  ) 
  6. REMOVE OXYGEN SENSOR (SEE  REPLACEMENT  ) 
  7. REMOVE EXHAUST MANIFOLD HEAT INSULATOR NO. 1 (SEE  REPLACEMENT  ) 
  8. REMOVE EXHAUST MANIFOLD (SEE  REPLACEMENT  ) 
  9. REMOVE STARTER ASSY (SEE  REPLACEMENT  ) 
  10. REMOVE FRONT DRIVE SHAFT ASSY RH (SEE  OVERHAUL  ) 
  11. REMOVE ENGINE MOUNTING BRACKET RR 
    1. Remove the 3 bolts and engine mounting bracket RR.
      Fig 1: Removing Bolts And Engine Mounting Bracket RR
      G02633289Courtesy of © TOYOTA, LICENSE AGREEMENT TMS1002
  12. REMOVE TRANSFER STIFFENER PLATE CENTER 
    1. Remove the 5 bolts and transfer stiffener plate center.
  13. REMOVE TRANSFER STIFFENER PLATE RH 
    1. Remove the 4 bolts and transfer stiffener plate RH.
      Fig 2: Removing Bolts And Transfer Stiffener Plate RH
      G02633290Courtesy of © TOYOTA, LICENSE AGREEMENT TMS1002
  14. REMOVE TRANSFER ASSY 
    1. Remove the 6 nuts.
    2. Using a plastic hammer, remove the transfer assy from the transaxle assy.
    NOTE:
    • Remove the transfer assy from the transaxle assy without tilting it.
    • When removing the transfer assy, do not hold the oil seal parts on both sides of the assy.
  15. REMOVE TRANSFER & TRANSAXLE SETTING STUD BOLT 
    1. Remove the 4 transfer & transaxle setting stud bolt.
  16. REMOVE TRANSFER CASE NO. 2 PLUG 
    1. Remove the transfer case No.2 plug.
    2. Remove the gasket from the transfer case No.2 plug.
      Fig 3: Removing Transfer Case No. 2 Plug
      G02633291Courtesy of © TOYOTA, LICENSE AGREEMENT TMS1002
  17. REMOVE TRANSFER CASE NO. 1 PLUG 
    1. Remove the transfer case No.1 plug.
    2. Remove the gasket from the transfer case No.1 plug.
      Fig 4: Removing Transfer Case No. 1 Plug
      G02633292Courtesy of © TOYOTA, LICENSE AGREEMENT TMS1002
  18. REMOVE TRANSFER DRAIN PLUG 
    1. Remove the transfer drain plug.
    2. Remove the gasket from the transfer drain plug.
      Fig 5: Removing Transfer Drain Plug
      G02633293Courtesy of © TOYOTA, LICENSE AGREEMENT TMS1002
  19. REMOVE TRANSFER CASE BREATHER PLUG 
  20. REMOVE TRANSFER CASE COVER NO. 1 
    1. Remove the 8 bolts.
      Fig 6: Removing Transfer Case Cover No. 1
      G02633294Courtesy of © TOYOTA, LICENSE AGREEMENT TMS1002
    2. Using a brass bar and a hammer, remove the transfer case cover No.1 from the case.
      NOTE: Place the brass bar on the rib part of the case.
    3. Remove the bolt and breather oil deflector.
      Fig 7: Removing Transfer Case Cover No. 1 From Case
      G02633295Courtesy of © TOYOTA, LICENSE AGREEMENT TMS1002
  21. REMOVE TRANSFER DYNAMIC DAMPER 
    1. Remove the 3 bolts and transfer dynamic damper from the transfer extension housing.
      Fig 8: Removing Bolts And Transfer Dynamic Damper From Transfer Extension Housing
      G02633296Courtesy of © TOYOTA, LICENSE AGREEMENT TMS1002
  22. REMOVE TRANSFER CASE STRAIGHT PIN 
    1. Remove the 4 transfer case straight pins from the transfer case.
  23. FIX TRANSFER ASSY 
    1. Attach the transfer assy to the overhaul attachment.
  24. REMOVE TRANSFER EXTENSION HOUSING DUST DEFLECTOR 
    1. Using a plastic hammer, remove the transfer extension housing dust deflector from the transfer extension housing sub-assy.
      Fig 9: Removing Transfer Extension Housing Dust Deflector From Transfer Extension Housing Sub-Assy
      G02633297Courtesy of © TOYOTA, LICENSE AGREEMENT TMS1002
  25. REMOVE TRANSFER EXTENSION HOUSING TYPE T OIL SEAL 
    1. Using SST, remove the transfer extension housing type T oil seal from the transfer extension housing sub-assy.

      SST 09308-00010

    NOTE: Be careful of not damage the oil seal press in face of housing and the inner diameter of bush.
    Fig 10: Removing Transfer Extension Housing Type T Oil Seal From Transfer Extension Housing Sub-Assy Using Special Tool
    G02633298Courtesy of © TOYOTA, LICENSE AGREEMENT TMS1002
  26. REMOVE TRANSFER EXTENSION HOUSING SUB-ASSY 
    1. Remove the 4 bolts.
      Fig 11: Removing Bolts
      G02633299Courtesy of © TOYOTA, LICENSE AGREEMENT TMS1002
    2. Using a plastic hammer, remove the transfer extension housing sub-assy from the case.
      Fig 12: Removing Transfer Extension Housing Sub-Assy From Case Using Special Tool
      G02633300Courtesy of © TOYOTA, LICENSE AGREEMENT TMS1002
  27. INSPECT PRELOAD 
    1. Using SST and a torque wrench, measure the preload of the backlash between the driven pinion and ring gear.

      SST 09326-20011

      Preload (at starting): 0.30 to 0.53 N.m (3.0 to 5.4 kgf.cm, 2.6 to 4.7 in.lbf) 

    2. Using SST and a torque wrench, measure the total preload.

      SST 09326-20011

      Preload (at starting): 0.49 to 0.86 N.m (5.0 to 8.8 kgf.cm, 4.3 to 7.6 in.lbf) 

      Fig 13: Measuring Preload Of Backlash Between Driven Pinion And Ring Gear Using Special Tool
      G02633301Courtesy of © TOYOTA, LICENSE AGREEMENT TMS1002
  28. INSPECT BACKLASH 
    1. Using a dial gauge, check the backlash of the ring gear.

      Backlash: 0.10 to 0.18 mm (0.0039 to 0.0071 in.) 

    If the backlash is not within the specification, adjust the side bearing preload or repair as necessary.

    NOTE: Check at least 3 positions on the circumference of the ring gear.
    Fig 14: Checking Backlash Of Ring Gear Using Special Tool
    G02633302Courtesy of © TOYOTA, LICENSE AGREEMENT TMS1002
  29. INSPECT TOOTH CONTACT BETWEEN RING GEAR AND DRIVEN PINION 
    1. Coat 3 or 4 teeth at 4 different positions on the ring gear with red lead.
    2. Rotate the ring gear inspect the tooth pattern.
      Fig 15: Coating Teeth On Ring Gear With Red Lead
      G02633303Courtesy of © TOYOTA, LICENSE AGREEMENT TMS1002
    Fig 16: Inspecting Tooth Contact Between Ring Gear And Driven Pinion
    G02633304Courtesy of © TOYOTA, LICENSE AGREEMENT TMS1002
  30. REMOVE TRANSFER CASE OIL SEAL 
    1. Using SST, remove the transfer case oil seal from the transfer case.

      SST 09308-00010

    NOTE: Do not damage the oil seal press in face of case.
    Fig 17: Removing Transfer Case Oil Seal From Transfer Case Using Special Tool
    G02633305Courtesy of © TOYOTA, LICENSE AGREEMENT TMS1002
  31. REMOVE TRANSFER CASE RH OIL SEAL 
    1. Using SST, remove the transfer case RH oil seal from the transfer case.

      SST 09308-00010

    NOTE: Do not damage the oil seal press in face of case.
    Fig 18: Removing Transfer Case RH Oil Seal From Transfer Case Using Special Tool
    G02633306Courtesy of © TOYOTA, LICENSE AGREEMENT TMS1002
  32. REMOVE BEARING CAP 
    1. Remove the 2 bolts and the bearing cap.
      Fig 19: Removing Bolts And Bearing Cap
      G02633307Courtesy of © TOYOTA, LICENSE AGREEMENT TMS1002
  33. REMOVE TRANSFER OUTPUT SHAFT SPACER NO. 1 
    1. Using SST, a screwdriver and a hammer, remove the transfer output shaft spacer No.1.

      SST 09504-22011

    NOTE: Protect with waste for not damaging the transfer case.
    Fig 20: Removing Transfer Output Shaft Spacer No. 1 Using Special Tool
    G02633308Courtesy of © TOYOTA, LICENSE AGREEMENT TMS1002
  34. REMOVE TRANSFER RING GEAR MOUNTING CASE WASHER NO. 2 
  35. REMOVE TRANSFER RING GEAR MOUNTING CASE 
    1. Remove the transfer ring gear mounting case from the transfer case.
      Fig 21: Removing Transfer Ring Gear Mounting Case From Transfer Case
      G02633309Courtesy of © TOYOTA, LICENSE AGREEMENT TMS1002
  36. REMOVE DRIVEN PINION 
    1. Using SST and a hammer, unstake the gear nut.

      SST 09930-00010

      HINT:

      • Using SST with the flat side facing outward.
      • Do not machine the tip of SST with a grinder, etc.
      Fig 22: Unstaking Gear Nut Using Special Tool
      G02633310Courtesy of © TOYOTA, LICENSE AGREEMENT TMS1002
    2. Using SST, remove the gear nut.

      SST 09326-20011, 09556-16030

      Fig 23: Removing Gear Nut Using Special Tool
      G02633311Courtesy of © TOYOTA, LICENSE AGREEMENT TMS1002
    3. Using a press, remove the driven pinion, transfer driven pinion rear bearing inner race and transfer pinion bearing spacer.
      Fig 24: Removing Driven Pinion, Transfer Driven Pinion Rear Bearing Inner Race And Transfer Pinion Bearing Spacer Using Special Tool
      G02633312Courtesy of © TOYOTA, LICENSE AGREEMENT TMS1002
  37. REMOVE TRANSFER DRIVEN PINION FRONT BEARING 
    1. Using SST and a press, remove the transfer driven pinion front bearing inner race.

      SST 09950-00020

      Fig 25: Removing Transfer Driven Pinion Front Bearing Inner Race Using Special Tool
      G02633313Courtesy of © TOYOTA, LICENSE AGREEMENT TMS1002
    2. Using a brass bar and a hammer, tap the driven pinion front bearing outer race to remove from the case.
    NOTE: Place the brass bar at the 2 positions of the cutouts on the case.
    Fig 26: Taping Driven Pinion Front Bearing Outer Race Using Special Tool
    G02633314Courtesy of © TOYOTA, LICENSE AGREEMENT TMS1002
  38. REMOVE TRANSFER OUTPUT WASHER 
  39. REMOVE RING GEAR MOUNTING CASE BEARING 
    1. Remove the ring gear mounting case bearing RH outer race from the transfer ring gear mounting case.
    2. Using SST, remove the ring gear mounting case bearing RH inner race from the transfer ring gear mounting case.

      SST 09950-40011 (09951-04010, 09952-04010, 09953-04020, 09954-04010, 09955-04061, 09957-04010, 09958-04011), 09950-60010 (09951-00440)

      NOTE: Using SST (09953-04020) with its screw and tip applied to grease.
      Fig 27: Removing Ring Gear Mounting Case Bearing Rh Inner Race From Transfer Ring Gear Mounting Case Using Special Tool
      G02633315Courtesy of © TOYOTA, LICENSE AGREEMENT TMS1002
    3. Using SST, remove the ring gear mounting RH inner race from the transfer ring gear mounting case.

      SST 09950-40011 (09951-04010, 09952-04010, 09953-04020, 09954-04010, 09955-04061, 09957-04010, 09958-04011), 09950-60010 (09951-00400)

      NOTE: Using SST (09953-04020) with its screw and tip applied to grease.
      Fig 28: Removing Ring Gear Mounting Rh Inner Race From Transfer Ring Gear Mounting Case Using Special Tool
      G02633316Courtesy of © TOYOTA, LICENSE AGREEMENT TMS1002
    4. Using a brass bar and a hammer, tap the 2 positions of the ring gear mounting case bearing LH outer race to remove from the transfer case.
      NOTE: Place the brass bar at the 2 positions of the cutouts on the case.
    5. Remove the ring gear mounting case plate washer.
      Fig 29: Removing Ring Gear Mounting Case Plate Washer
      G02633317Courtesy of © TOYOTA, LICENSE AGREEMENT TMS1002
  40. INSPECT RUNOUT OF RING GEAR 
    1. Place the transfer ring gear mounting case on the V-block.
    2. Using a dial gauge, check the runout of the ring gear.

      Maximum runout: 0.06 mm (0.0024 in.) 

      Fig 30: Checking Runout Of Ring Gear Using Special Tool
      G02633318Courtesy of © TOYOTA, LICENSE AGREEMENT TMS1002
  41. REMOVE RING GEAR 
    1. Make matchmarks on the transfer ring gear mounting case and the ring gear.
    2. Remove the 10 bolts.
      Fig 31: Placing Matchmarks On Transfer Ring Gear Mounting Case And Ring Gear
      G02633319Courtesy of © TOYOTA, LICENSE AGREEMENT TMS1002
    3. Using a plastic hammer, tap on the ring gear to separate it from the transfer ring gear mounting case.
    NOTE: Do not damage the tooth face of the ring gear.
    Fig 32: Taping Ring Gear Using Special Tool
    G02633320Courtesy of © TOYOTA, LICENSE AGREEMENT TMS1002
  42. INSPECT RUNOUT OF TRANSFER RING GEAR MOUNTING CASE 
    1. Place the transfer ring gear mounting case on the V-block.
    2. Using a dial gauge, check the runout of the ring gear.

      Maximum runout: 0.14 mm (0.0055 in.) 

      Fig 33: Checking Runout Of Ring Gear Using Special Tool
      G02633321Courtesy of © TOYOTA, LICENSE AGREEMENT TMS1002
  43. REMOVE TRANSFER DRIVEN PINION REAR BEARING 
    1. Using a brass bar and a hammer, tap the 2 positions on the driven pinion rear bearing outer race before removing from the transfer case.
    NOTE: Place the brass bar at the 2 positions of the cutouts on the case.
    Fig 34: Taping Positions On Driven Pinion Rear Bearing Outer Race Using Special Tool
    G02633322Courtesy of © TOYOTA, LICENSE AGREEMENT TMS1002
  44. INSTALL TRANSFER DRIVEN PINION REAR BEARING 
    1. Using SST and a press, press the driven pinion rear bearing outer race into the case.

      SST 09950-60010 (09951-00620), 09950-70010 (09951-07150)

      NOTE: Keep the transfer case horizontally using tip of wood, etc.
    2. Apply gear oil to the driven pinion rear bearing outer race.
      Fig 35: Pressing Driven Pinion Rear Bearing Outer Race Into Case Using Special Tool
      G02633323Courtesy of © TOYOTA, LICENSE AGREEMENT TMS1002
  45. INSTALL TRANSFER OUTPUT WASHER 
    1. Install a transfer output washer to the transfer case.

      HINT: Install the same washer as the previous one.

    2. Apply gear oil to the transfer output washer.
  46. INSTALL TRANSFER DRIVEN PINION FRONT BEARING 
    1. Apply gear oil to the inner surface of the transfer case.
    2. Using SST, install the transfer driven pinion front bearing outer race to the transfer case with a bolt and a nut.

      SST 09950-60010 (09951-00610, 09951-00620, 09951-00650), 09950-60020 (09951-00680)

      Fig 36: Installing Transfer Driven Pinion Front Bearing Outer Race To Transfer Case With Bolt And Nut
      G02633324Courtesy of © TOYOTA, LICENSE AGREEMENT TMS1002
    3. Using SST and a press, press the driven pinion front bearing inner race into the driven pinion.

      SST 09506-30012

      Fig 37: Pressing Driven Pinion Front Bearing Inner Race Into Driven Pinion Using Special Tool
      G02633325Courtesy of © TOYOTA, LICENSE AGREEMENT TMS1002
  47. INSTALL DRIVEN PINION 
    1. Install the driven pinion to the transfer case.
      Fig 38: Installing Driven Pinion To Transfer Case
      G02633326Courtesy of © TOYOTA, LICENSE AGREEMENT TMS1002
    2. Install a new transfer pinion bearing spacer and driven pinion rear bearing inner race to the driven pinion.

      HINT: Install the pinion bearing spacer with the larger inner diameter coming to the front side.

      Fig 39: Installing Transfer Pinion Bearing Spacer And Driven Pinion Rear Bearing Inner Race To Driven Pinion
      G02633327Courtesy of © TOYOTA, LICENSE AGREEMENT TMS1002
    3. Using SST, install a new gear nut.

      SST 09326-20011, 09556-16030

      Torque: 260 to 355 N.m (2,647 to 3,616 kgf.cm, 191 to 262 ft.lbf) 

    HINT:

    • Using a torque wrench with a fulcrum length of 380 mm (15.03 in.).
    • This torque value is effective in the case that SST is parallel to a torque wrench.
    NOTE: Do not stake the nut until the final adjustment of the preload, tooth contact and backlash is completed.
    Fig 40: Installing Gear Nut Using Special Tool
    G02633328Courtesy of © TOYOTA, LICENSE AGREEMENT TMS1002
  48. ADJUST DRIVEN PINION PRELOAD 
    1. Using SST and a torque wrench, measure the driven pinion preload.

      SST 09326-20011

      Preload (at starting): 

      New bearing: 0.53 to 0.97 N.m (5.4 to 9.9 kgf.cm, 4.7 to 8.6 in.lbf) 

      Reused bearing: 0.30 to 0.53 N.m (3.0 to 5.4 kgf.cm, 2.6 to 4.7 in.lbf) 

    HINT: Using a torque wrench with a fulcrum length of 160 mm (6.3 in.).

    • This torque value is effective in case that SST is parallel to torque wench.
    • If the preload is not sufficient, adjust the driven pinion by tightening the lock nut by 5° to 10° and measuring the preload until the preload is with in the standard value.
    • If the preload is more than standard value, replace the spacer with a new one.
    • Even if the tightening torque of gear nut exceeds the specified torque, if the preload is not enough, loosen the gear nut once and apply rust preventive oil or gear oil super to the gear nut and to the screw or bearing surface of driven pinion. Then do the procedure again. If the tightening torque is smaller than the specified value, replace the pinion bearing spacer with a new one and adjust it.
    Fig 41: Measuring Driven Pinion Preload Using Special Tool
    G02633329Courtesy of © TOYOTA, LICENSE AGREEMENT TMS1002
  49. INSTALL RING GEAR 
    1. Clean the contact surface of the ring gear and transfer ring gear mounting case.
    2. Heat the ring gear in water and boil for 10 minutes.
    3. Carefully remove the ring gear from the water.
      Fig 42: Heating Ring Gear In Water
      G02633330Courtesy of © TOYOTA, LICENSE AGREEMENT TMS1002
    4. After the moisture on the ring gear has completely evaporated, quickly install the ring gear to the transfer ring gear mounting case.
    5. Install the 10 bolts.

      Torque: 78 N.m (790 kgf.cm, 57 ft.lbf) 

    NOTE:
    • Tighten the bolts in diagonal order in splitting several times.
    • After the ring gear has well cooled down, tighten the bolts.
    • Make paint marks, etc., do the procedure while checking the bolts retightened.
    Fig 43: Identifying Paint Marks
    G02633331Courtesy of © TOYOTA, LICENSE AGREEMENT TMS1002
  50. INSTALL RING GEAR MOUNTING CASE BEARING 
    1. Using SST and a press, press the ring gear mounting case bearing RH inner race into the transfer ring gear mounting case

      SST 09950-60010 (09951-00420)

    2. Install the ring gear mounting case bearing RH outer race to the transfer ring gear mounting case.
    3. Apply gear oil to the ring gear mounting case bearing RH.
      Fig 44: Pressing Ring Gear Mounting Case Bearing RH Inner Race Into Transfer Ring Gear Mounting Case
      G02633332Courtesy of © TOYOTA, LICENSE AGREEMENT TMS1002
    4. Using SST and a press, press the ring gear mounting case LH inner race into the transfer ring gear mounting case.

      SST 09223-00010, 09726-40010

    5. Install the ring gear mounting case plate washer to the case.

      HINT: Use a new washer with the same thickness as the removed one when installation.

      Fig 45: Pressing Ring Gear Mounting Case LH Inner Race Into Transfer Ring Gear Mounting Case
      G02633333Courtesy of © TOYOTA, LICENSE AGREEMENT TMS1002
    6. Using SST and a press, press the ring gear mounting case bearing LH outer race into the transfer case.

      SST 09950-60010 (09951-00620), 09950-70010 (09951-07200)

    7. Apply gear oil to the ring gear mounting case bearing.
      Fig 46: Pressing Ring Gear Mounting Case Bearing LH Outer Race Into Transfer Case
      G02633334Courtesy of © TOYOTA, LICENSE AGREEMENT TMS1002
  51. INSTALL TRANSFER RING GEAR MOUNTING CASE 
    1. Apply gear oil to the transfer ring gear mounting case.
    2. Install the transfer ring gear mounting case to the transfer case.
      Fig 47: Installing Transfer Ring Gear Mounting Case To Transfer Case
      G02633335Courtesy of © TOYOTA, LICENSE AGREEMENT TMS1002
  52. INSTALL TRANSFER OUTPUT SHAFT SPACER NO. 1 
    1. To install a new transfer output shaft spacer No.1, align the cutouts on it with the hole of the transfer case as shown in the illustration.
      Fig 48: Aligning Cutouts On With Hole Of Transfer Case
      G02633336Courtesy of © TOYOTA, LICENSE AGREEMENT TMS1002
  53. INSTALL TRANSFER RING GEAR MOUNTING CASE WASHER NO. 2 
    1. Using a brass bar and a hammer, install a new transfer ring gear mounting case washer No.2.

    HINT: Install a new washer No.2 with the same thickness as the removed one.

    Fig 49: Installing Transfer Ring Gear Mounting Case Washer No. 2 Using Special Tool
    G02633337Courtesy of © TOYOTA, LICENSE AGREEMENT TMS1002
  54. INSTALL BEARING CAP 
    1. Install the bearing cap with the 2 bolts.

      Torque: 63 N.m (644 kgf.cm, 47 ft.lbf) 

    Fig 50: Installing Bearing Cap With Bolts
    G02633338Courtesy of © TOYOTA, LICENSE AGREEMENT TMS1002
  55. INSPECT BACKLASH 
    1. Place a dial gauge on the teeth surface on the ring gear vertically, check with fixing the driven pinion and moving the ring gear.

      Backlash: 0.10 to 0.18 mm (0.0039 to 0.0071 in.) 

      Fig 51: Checking With Fixing Driven Pinion And Moving Ring Gear Using Special Tool
      G02633339Courtesy of © TOYOTA, LICENSE AGREEMENT TMS1002
      NOTE: Check at least 3 positions on the circumference of the ring gear.
    2. If the backlash is not in the range of specified value, select the ring gear mounting case bearing LH side washer from the table and install it to meet the specified value.
    WASHER THICKNESS

    Mark Thickness Mark Thickness
    50 2.05 (0.0807) 68 2.59 (0.1020)
    51 2.08 (0.0819) 69 2.62 (0.1031)
    52 2.11 (0.0831) 70 2.65 (0.1043)
    53 2.14 (0.0843) 71 2.68 (0.1055)
    54 2.17 (0.0854) 72 2.71 (0.1067)
    55 2.20 (0.0866) 73 2.74 (0.1079)
    56 2.23 (0.0878) 74 2.77 (0.1091)
    57 2.26 (0.0890) 75 2.80 (0.1102)
    58 2.29 (0.0902) 76 2.83 (0.1114)
    59 2.32 (0.0913) 77 2.86 (0.1126)
    60 2.35 (0.0925) 78 2.89 (0.1138)
    61 2.38 (0.0937) 79 2.92 (0.1150)
    62 2.41 (0.0949) 80 2.95 (0.1161)
    63 2.44 (0.0961) 81 2.98 (0.1173)
    64 2.47 (0.0973) 82 3.01 (0.1185)
    65 2.50 (0.0984) 83 3.04 (0.1197)
    66 2.53 (0.0996) 84 3.07 (0.1209)
    67 2.56 (0.1008) - -
    Fig 52: Identifying Washer Position
    G02633340Courtesy of © TOYOTA, LICENSE AGREEMENT TMS1002
  56. INSPECT TOOTH CONTACT BETWEEN RING GEAR AND DRIVEN PINION 
    1. Coat 3 or 4 teeth at the 4 different positions on the ring gear with red read.
    2. Rotate the ring gear, inspect the teeth pattern.
      Fig 53: Coating Teeth On Ring Gear With Red Read
      G02633341Courtesy of © TOYOTA, LICENSE AGREEMENT TMS1002
      Fig 54: Inspecting Tooth Contact Between Ring Gear And Driven Pinion
      G02633342Courtesy of © TOYOTA, LICENSE AGREEMENT TMS1002
    3. If the teeth are not contacting properly, select the proper washer again.
    WASHER THICKNESS

    Mark Thickness Mark Thickness
    AA 2.10 (0.0827) JA 2.34 (0.0921)
    AC 2.12 (0.0835) JC 2.36 (0.0929)
    BB 2.14 (0.0843) KB 2.38 (0.0937)
    CA 2.16 (0.0850) LA 2.40 (0.0945)
    CC 2.18 (0.0858) LC 2.42 (0.0953)
    DB 2.20 (0.0866) MB 2.44 (0.0961)
    EA 2.22 (0.0874) NA 2.46 (0.0969)
    EC 2.24 (0.0882) NC 2.48 (0.0976)
    FB 2.26 (0.0890) PB 2.50 (0.0984)
    GA 2.28 (0.0898) QA 2.52 (0.0992)
    GC 2.30 (0.0906) QC 2.54 (0.1000)
    HB 2.32 (0.0913) - -
    NOTE: When the board thickness is changed, readjust the backlash.
    Fig 55: Identifying Washer Position
    G02633343Courtesy of © TOYOTA, LICENSE AGREEMENT TMS1002
  57. ADJUST MEASURE TOTAL PRELOAD 
    1. Using SST and a torque wrench, measure the total preload.

      SST 09326-20011

      Total preload: 

      New bearing: Driven pinion preload + 0.30 to 0.45 N.m (3.0 to 4.6 kgf.cm, 2.6 to 4.0 in.lbf) 

      Reused bearing: Driven pinion preload + 0.19 to 0.34 N.m (1.9 to 3.4 kgf.cm, 1.7 to 3.0 in.lbf) 

      Fig 56: Measuring Total Preload Using Special Tool
      G02633344Courtesy of © TOYOTA, LICENSE AGREEMENT TMS1002

      HINT:

      • Using a torque wrench with a fulcrum length of 160 mm (6.3 in.).
      • Turn the driven pinion counterclockwise and clockwise several times.

      If the preload non-standard, again select proper washer.

      WASHER THICKNESS

      Mark Thickness Mark Thickness
      A0 2.47 (0.0972) C3 3.16 (0.1244)
      A1 2.50 (0.0984) C4 3.19 (0.1256)
      A2 2.53 (0.0996) C5 3.22 (0.1268)
      A3 2.56 (0.1008) C6 3.25 (0.1280)
      A4 2.59 (0.1020) C7 3.28 (0.1291)
      A5 2.62 (0.1031) C8 3.31 (0.1303)
      A6 2.65 (0.1043) C9 3.34 (0.1315)
      A7 2.68 (0.1055) D0 3.37 (0.1327)
      A8 2.71 (0.1067) D1 3.40 (0.1339)
      A9 2.74 (0.1079) D2 3.43 (0.1350)
      B0 2.77 (0.1091) D3 3.46 (0.1362)
      B1 2.80 (0.1102) D4 3.49 (0.1374)
      B2 2.83 (0.1114) D5 3.52 (0.1386)
      B3 2.86 (0.1126) D6 3.55 (0.1398)
      B4 2.89 (0.1138) D7 3.58 (0.1409)
      B5 2.92 (0.1150) D8 3.61 (0.1421)
      B6 2.95 (0.1161) D9 3.64 (0.1433)
      B7 2.98 (0.1173) E0 3.67 (0.1445)
      B8 3.01 (0.1185) E1 3.70 (0.1457)
      B9 3.04 (0.1197) E2 3.73 (0.1469)
      C0 3.07 (0.1209) E3 3.76 (0.1480)
      C1 3.10 (0.1220) E4 3.79 (0.1492)
      C2 3.13 (0.1232) E5 3.82 (0.1504)
      Fig 57: Identifying Washer Position
      G02633345Courtesy of © TOYOTA, LICENSE AGREEMENT TMS1002
    2. Using a chisel and a hammer, stake the gear nut.
      Fig 58: Staking Gear Nut Using Special Tool
      G02633346Courtesy of © TOYOTA, LICENSE AGREEMENT TMS1002
  58. INSTALL TRANSFER CASE RH OIL SEAL 
    1. Using SST and a hammer, drive a new transfer case RH oil seal into the case until it reaches the position shown in the illustration.

      SST 09950-60010 (09951-00360, 09951-00590, 09952-06010), 09950-70010 (09951-07150)

      Drive in depth: 33.7 to 34.3 mm (1.328 to 1.350 in.) 

      NOTE: Do not install the oil seal at an angle.
    2. Apply a little MP grease to the lip of the transfer case RH oil seal.
      Fig 59: Installing Transfer Case RH Oil Seal
      G02633347Courtesy of © TOYOTA, LICENSE AGREEMENT TMS1002
  59. INSTALL TRANSFER CASE OIL SEAL 
    1. Using SST and a hammer, drive a new transfer case oil seal into the transfer case until the position in the illustration.

      SST 09316-60011 (09316-00011)

      Drive in depth: 9.7 to 10.3 mm (0.328 to 0.406 in.) 

      NOTE: Do not install the oil seal at an angle.
    2. Apply a little MP grease to the lip of the transfer case oil seal.
  60. INSTALL TRANSFER EXTENSION HOUSING TYPE T OIL SEAL 
    1. Using SST and a hammer, drive a new transfer extension housing type T oil seal into the extension housing until the position in the illustration.

      SST 09950-60010 (09951-00380, 09951-00580, 09952-06010), 09950-70010 (09951-07150)

      Drive in depth: 1.1 to 1.9 mm (0.043 to 0.075 in.) 

    2. Apply a little MP grease to the lip of the transfer extension housing type T oil seal.
      Fig 60: Installing Transfer Case Oil Seal
      G02633348Courtesy of © TOYOTA, LICENSE AGREEMENT TMS1002
      Fig 61: Installing Transfer Extension Housing Type T Oil Seal
      G02633349Courtesy of © TOYOTA, LICENSE AGREEMENT TMS1002
  61. INSTALL TRANSFER EXTENSION HOUSING DUST DEFLECTOR 
    1. Using SST and a press, install the extension housing dust deflector to the transfer extension housing sub-assy.

      SST 09950-60010 (09951-00640), 09950-70010 (09951-07150)

      Fig 62: Installing Extension Housing Dust Deflector To Transfer Extension Housing Sub-Assy Using Special Tool
      G02633350Courtesy of © TOYOTA, LICENSE AGREEMENT TMS1002
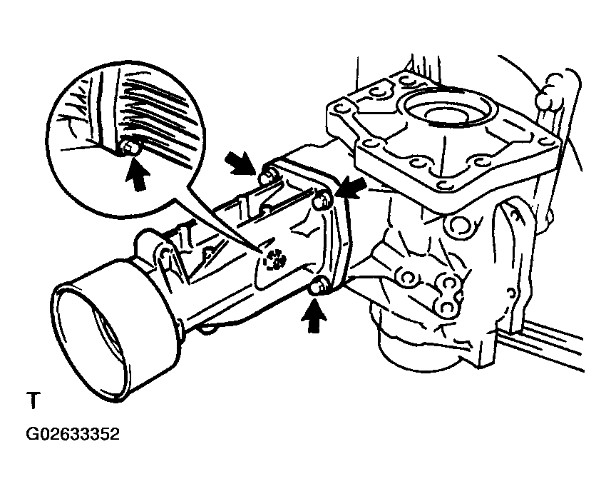
  62. INSTALL TRANSFER EXTENSION HOUSING SUB-ASSY 
    1. Remove any FIPG material and be careful not to drop oil on the contacting surfaces of the transfer extension housing sub-assy and the transfer case.
    2. Decrease the surface with white gasoline.
    3. Apply FIPG to the transfer extension housing sub-assy.

      FIPG: Part No.08826-00090, THREE BOND 1281 or equivalent 

    4. Install the transfer extension housing sub-assy with the 4 bolts to the transfer case.

      Torque: 26 N.m (260 kgf.cm, 19 ft.lbf) 

      NOTE: Assemble transfer extension housing sub-assy within 10 minutes after FIPG application.
      Fig 63: Applying FIPG To Transfer Extension Housing Sub-Assy
      G02633351Courtesy of © TOYOTA, LICENSE AGREEMENT TMS1002
      Fig 64: Installing Transfer Extension Housing Sub-Assy With Bolts To Transfer Case
      G02633352Courtesy of © TOYOTA, LICENSE AGREEMENT TMS1002
  63. SEPARATE TRANSFER ASSY 
    1. Remove the transfer assy from the overhaul attachment.
  64. INSTALL TRANSFER CASE STRAIGHT PIN 
    1. Using a plastic hammer, drive the 4 transfer case straight pins into the position in the illustration of the transfer case.
      Fig 65: Installing Transfer Case Straight Pin
      G02633353Courtesy of © TOYOTA, LICENSE AGREEMENT TMS1002
  65. INSTALL TRANSFER DYNAMIC DAMPER 
    1. Install the transfer dynamic damper with the 3 bolts to the transfer extension housing sub-assy.

      Torque: 26 N.m (260 kgf.cm, 19 ft.lbf) 

      Fig 66: Installing Transfer Dynamic Damper
      G02633354Courtesy of © TOYOTA, LICENSE AGREEMENT TMS1002
  66. INSTALL TRANSFER CASE BREATHER PLUG 
  67. INSTALL TRANSFER CASE COVER NO. 1 
    1. Install the breather oil deflector with the bolt.

      Torque: 6.5 N.m (66 kgf.cm, 58 in.lbf) 

    2. Remove any FIPG material and be careful not to drop oil on the contacting surfaces of the transfer case cover No.1 and the transfer case.
    3. Decrease the surface with white gasoline.
    4. Apply FIPG to the transfer case cover No.1.
      Fig 67: Installing Transfer Case Cover No. 1
      G02633355Courtesy of © TOYOTA, LICENSE AGREEMENT TMS1002

      FIPG: Part No.08826-00090, THREE BOND 1281 or equivalent 

    5. Install the transfer case cover No.1 with the 8 bolts.

      Torque: 20 N.m (200 kgf.cm, 14 ft.lbf) 

      NOTE:
      • Before pouring transfer oil, leave it at least an hour.
      • Assemble transfer case cover No.1 within 10 minutes after FIPG application.
      Fig 68: Installing Transfer Case Cover No. 1 With Bolts
      G02633356Courtesy of © TOYOTA, LICENSE AGREEMENT TMS1002
  68. INSTALL TRANSFER DRAIN PLUG 
    1. Install a new gasket to the transfer drain plug.
    2. Install the transfer drain plug to the transfer assy.

      Torque: 49 N.m (500 kgf.cm, 36 ft.lbf) 

      Fig 69: Installing Transfer Drain Plug To Transfer Assy
      G02633357Courtesy of © TOYOTA, LICENSE AGREEMENT TMS1002
  69. INSTALL TRANSFER CASE NO. 1 PLUG 
    1. Install a new gasket to the transfer case No.1 plug.
    2. Temporary tighten the transfer case No.1 plug to the transfer assy.
      Fig 70: Installing Transfer Case No. 1 Plug
      G02633358Courtesy of © TOYOTA, LICENSE AGREEMENT TMS1002
  70. INSTALL TRANSFER CASE NO. 2 PLUG 
    1. Install a new gasket to the transfer case No.2 plug.
    2. Install the transfer case No.2 plug to the transfer assy.

      Torque: 49 N.m (500 kgf.cm, 36 ft.lbf) 

      Fig 71: Installing Transfer Case No. 2 Plug To Transfer Assy
      G02633359Courtesy of © TOYOTA, LICENSE AGREEMENT TMS1002
  71. INSTALL TRANSFER & TRANSAXLE SETTING STUD BOLT 
    1. Install the 4 transfer & transaxle setting stud bolts to the position in the illustration of the transfer case.

      Torque: 39 N.m (400 kgf.cm, 29 ft.lbf) 

      HINT: In the case of this transfer & transaxle setting stud bolts in the illustration, the bottom side is the transfer case installation side.

      Fig 72: Installing Transfer & Transaxle Setting Stud Bolt
      G02633360Courtesy of © TOYOTA, LICENSE AGREEMENT TMS1002

      Stud bolt length: 

      a: 30 mm (1.1811 in.) 

      b: 12 mm (0.4724 in.) 

      c: 22 mm (0.8661 in.) 

  72. INSTALL TRANSFER ASSY 
    1. Install the transfer assy with the 6 nuts to the transaxle assy.

      Torque: 69 N.m (700 kgf.cm, 51 ft.lbf) 

    NOTE:
    • Install the transfer assy to the transaxle assy horizontally.
    • Do not touch the oil seal part of the transfer assy when installation.
  73. INSTALL TRANSFER STIFFENER PLATE RH 
    1. Install the transfer stiffener plate RH with the 4 bolts.

      Torque: 34 N.m (347 kgf.cm, 25 ft.lbf) 

  74. INSTALL TRANSFER STIFFENER PLATE CENTER 
    1. Install the transfer stiffener plate center with the 5 bolts.

      Torque: 34 N.m (347 kgf.cm, 25 ft.lbf) 

      Fig 73: Installing Transfer Stiffener Plate Center
      G02633361Courtesy of © TOYOTA, LICENSE AGREEMENT TMS1002
  75. INSTALL ENGINE MOUNTING BRACKET RR 
    1. Install the engine mounting bracket RR with the 3 bolts.

      Torque: 64 N.m (652 kgf.cm, 47 ft.lbf) 

      Fig 74: Installing Engine Mounting Bracket RR
      G02633362Courtesy of © TOYOTA, LICENSE AGREEMENT TMS1002
  76. INSTALL FRONT DRIVE SHAFT ASSY RH (SEE  OVERHAUL  ) 
  77. INSTALL EXHAUST MANIFOLD (SEE  REPLACEMENT  ) 
  78. INSTALL EXHAUST MANIFOLD HEAT INSULATOR NO. 1 (SEE  REPLACEMENT  ) 
  79. INSTALL OXYGEN SENSOR (SEE  REPLACEMENT  ) 
  80. INSTALL MANIFOLD STAY (SEE  REPLACEMENT  ) 
  81. INSTALL FRONT SUSPENSION CROSSMEMBER W/CENTER MEMBER (SEE  REPLACEMENT  ) 
  82. INSTALL RACK & PINION POWER STEERING GEAR ASSY (SEE  OVERHAUL  ) 

    SST 09023-38201

  83. INSTALL VANE PUMP ASSY (SEE  REPLACEMENT  ) 
  84. INSTALL ENGINE ASSEMBLY WITH TRANSAXLE (SEE  REPLACEMENT  ) 

    SST 09670-00010

  85. ADD TRANSFER OIL (SEE  TRANSFER OIL (4WD)  ) 

    Oil grade: API GL-5 

    Viscosity: SAE 90 

    Torque: 49 N.m (500 kgf.cm, 36 ft.lbf) 

  86. ADD AUTOMATIC TRANSAXLE FLUID 
  87. ADD ENGINE OIL 
  88. ADD COOLANT (SEE  ENGINE COOLANT (1ZZ-FE)  ) 
  89. CHECK FOR ENGINE OIL LEAKS 
  90. CHECK FOR ENGINE COOLANT LEAKS 
  91. CHECK FUEL LEAK 
  92. CHECK FOR EXHAUST GAS LEAKS 
  93. INSPECT CHECK IDLE SPEED AND IGNITION TIMING (SEE  ENGINE (1ZZ-FE)  ) 

    SST 09843-18030, 09843-18040

  94. INSPECT CO/HC (SEE  ENGINE (1ZZ-FE)  ) 
  95. INSPECT AND ADJUST FRONT WHEEL ALIGNMENT (SEE  FRONT WHEEL ALIGNMENT  ) 
  96. CHECK ABS SPEED SENSOR SIGNAL 
    1. ABS WITH EBD SYSTEM (SEE TEST MODE PROCEDURE )
    2. ABS WITH EBD & BA & TRAC & VSC SYSTEM (SEE TEST MODE PROCEDURE )