LEMON Manuals: Even more car manuals for everyone: 1960-2025
Home >> Toyota >> 2005 >> Prius >> Repair and Diagnosis (Single Page) >> Body & Frame >> Windows >> Windshield System, WINDOWGLASS System & Mirror System >> Power Mirror Control System >> System Diagram
April 5, 2026: LEMON Manuals is launched! Read the announcement.

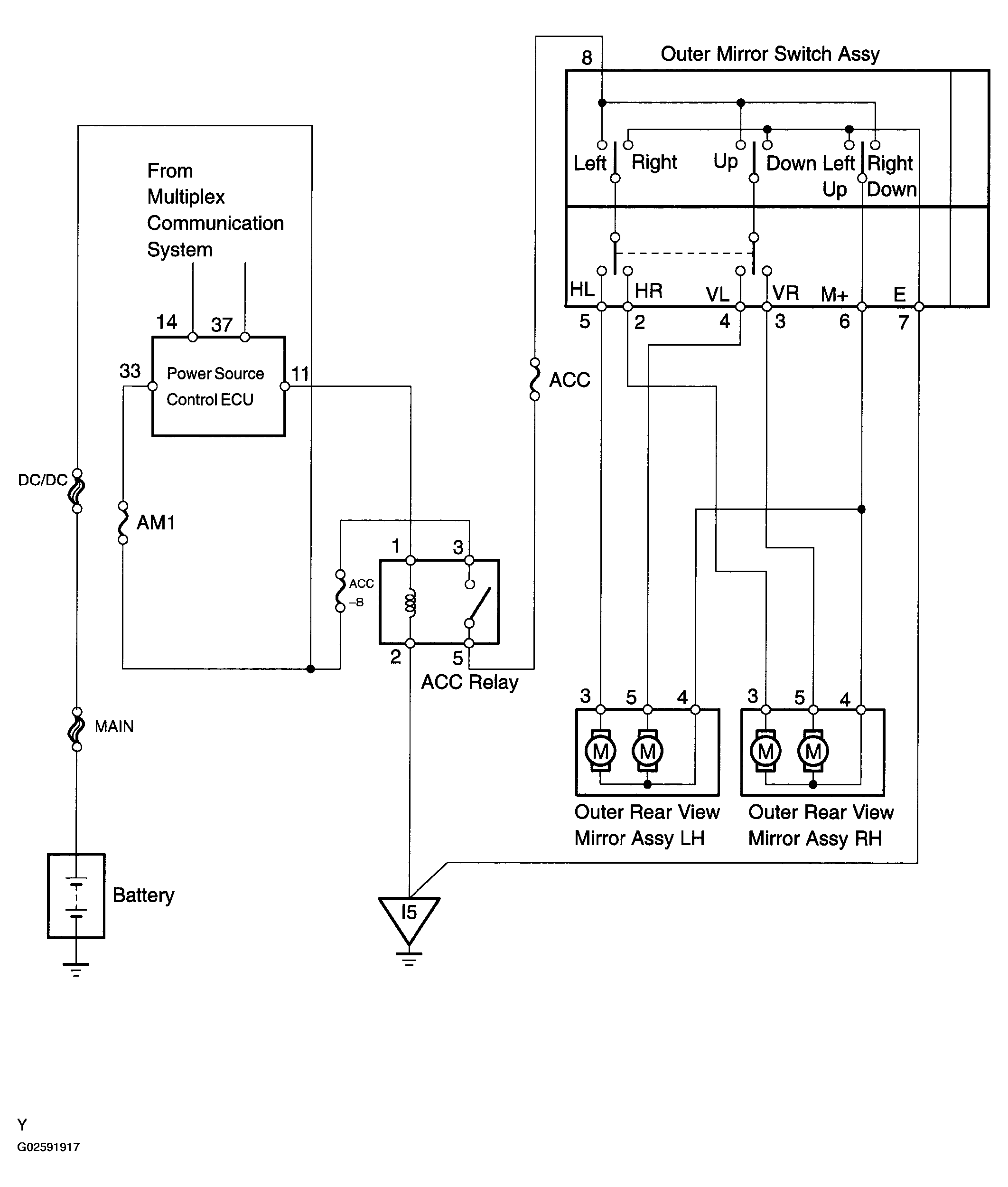
System Diagram

Fig 1: System Diagram - Power Mirror Control System
G02591917Courtesy of © TOYOTA, LICENSE AGREEMENT TMS1002