LEMON Manuals: Even more car manuals for everyone: 1960-2025
Home >> Toyota >> 2005 >> Prius >> Repair and Diagnosis >> Engine Performance >> System >> Engine Control System (SFI) - Diagnostics >> ECM Power Source Circuit >> Wiring Diagram
April 5, 2026: LEMON Manuals is launched! Read the announcement.

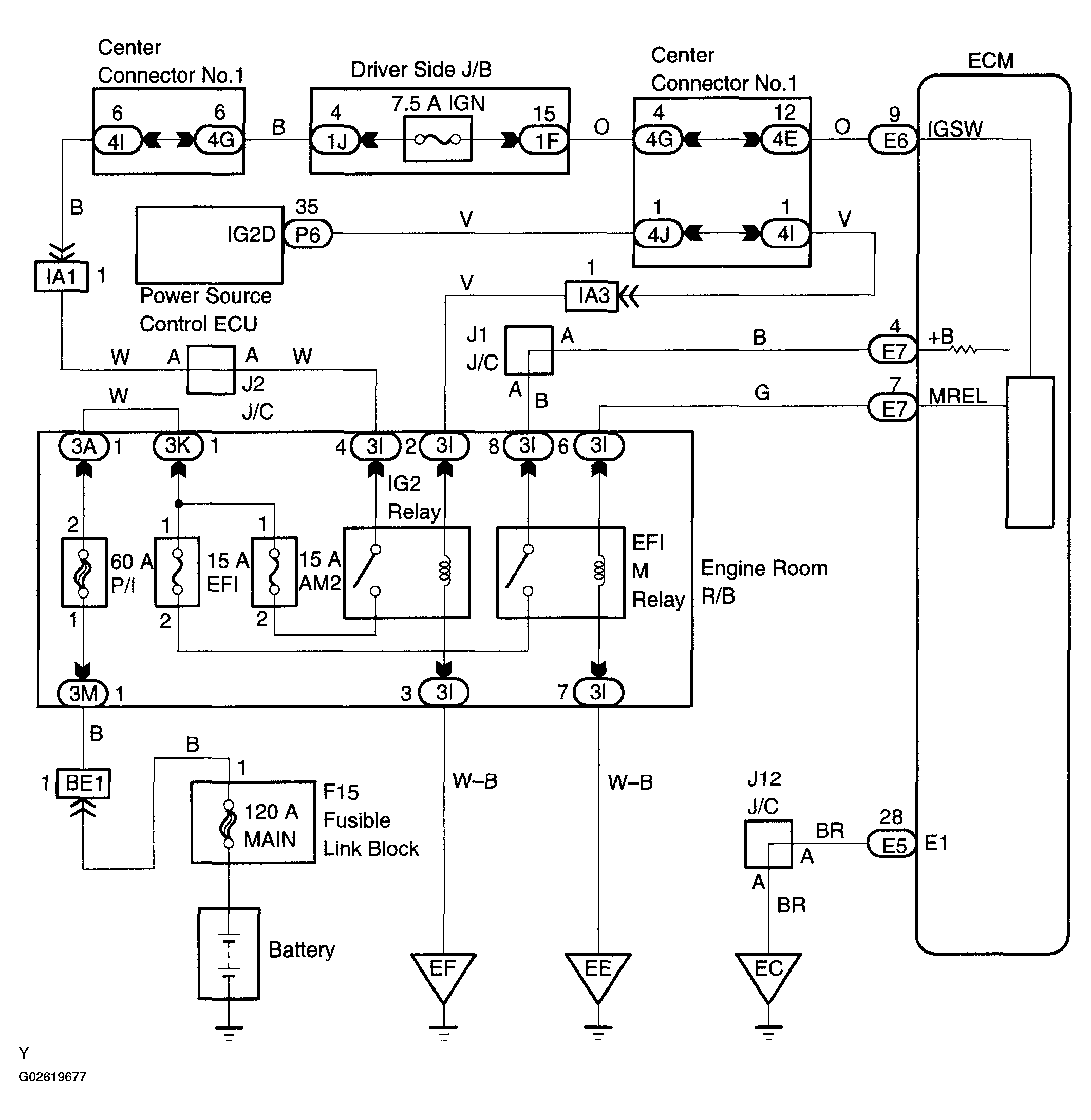
ECM Power Source Circuit: Wiring Diagram

Fig 1: ECM Power Source Wiring Diagram
G02619677Courtesy of © TOYOTA, LICENSE AGREEMENT TMS1002