LEMON Manuals: Even more car manuals for everyone: 1960-2025
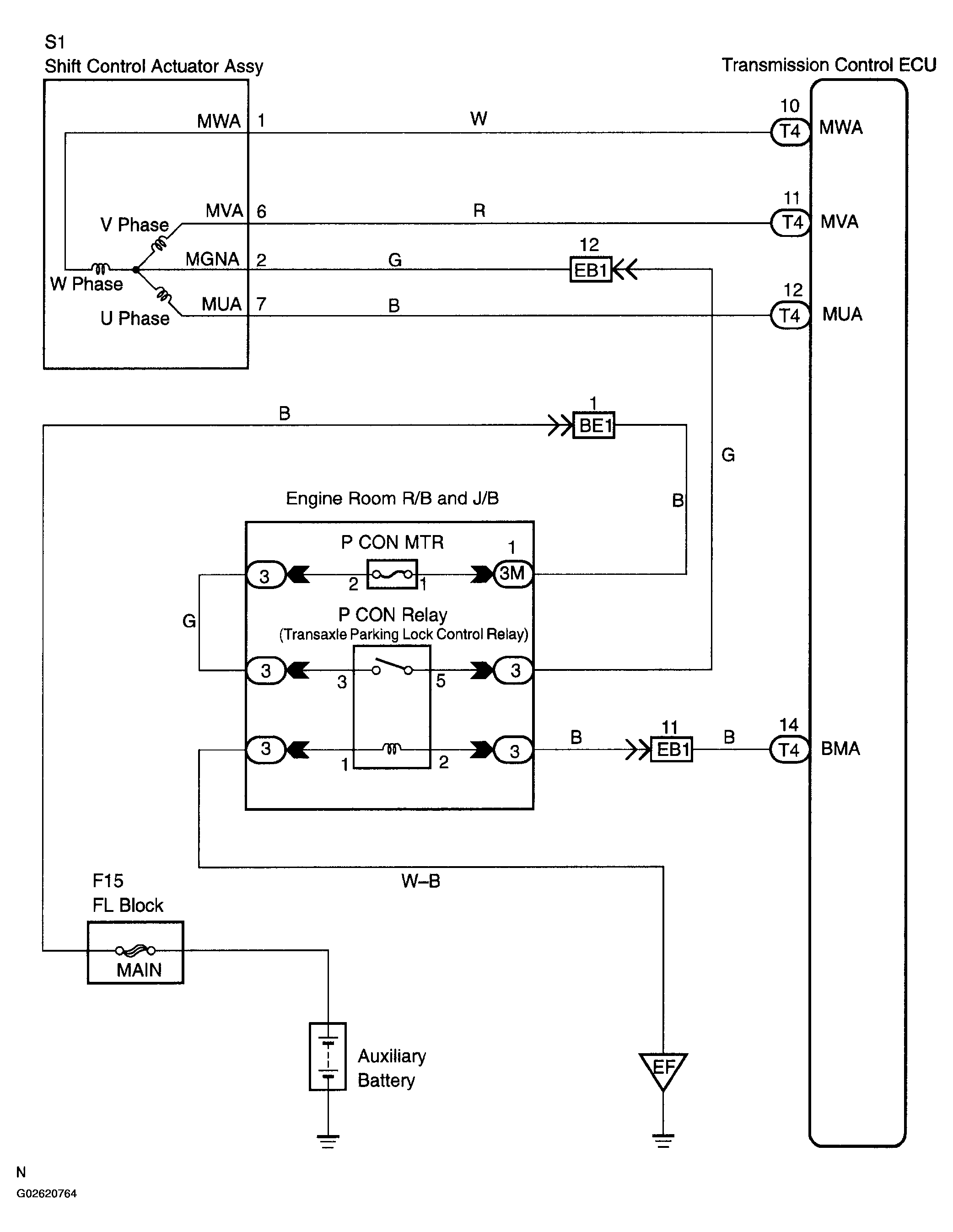
Home >> Toyota >> 2005 >> Prius >> Repair and Diagnosis >> Transmission >> Transmission Control Systems >> Transmission Control System (Parking Lock Control) - Diagnostics >> Shift Control System (Parking Lock Control) >> DTC C2303: Relay Malfunction (+B Short) >> Wiring Diagram
April 5, 2026: LEMON Manuals is launched! Read the announcement.

DTC C2303: Relay Malfunction (+B Short): Wiring Diagram

Fig 1: Wiring Diagram - DTC C2303
G02620764Courtesy of © TOYOTA, LICENSE AGREEMENT TMS1002