LEMON Manuals: Even more car manuals for everyone: 1960-2025
Home >> Toyota >> 2005 >> Tacoma Base, 4D Pickup, Standard >> Repair and Diagnosis >> Body & Frame >> Windows >> Windshield System, WINDOWGLASS System & Mirror System >> Power Mirror Control System >> System Diagram
April 5, 2026: LEMON Manuals is launched! Read the announcement.

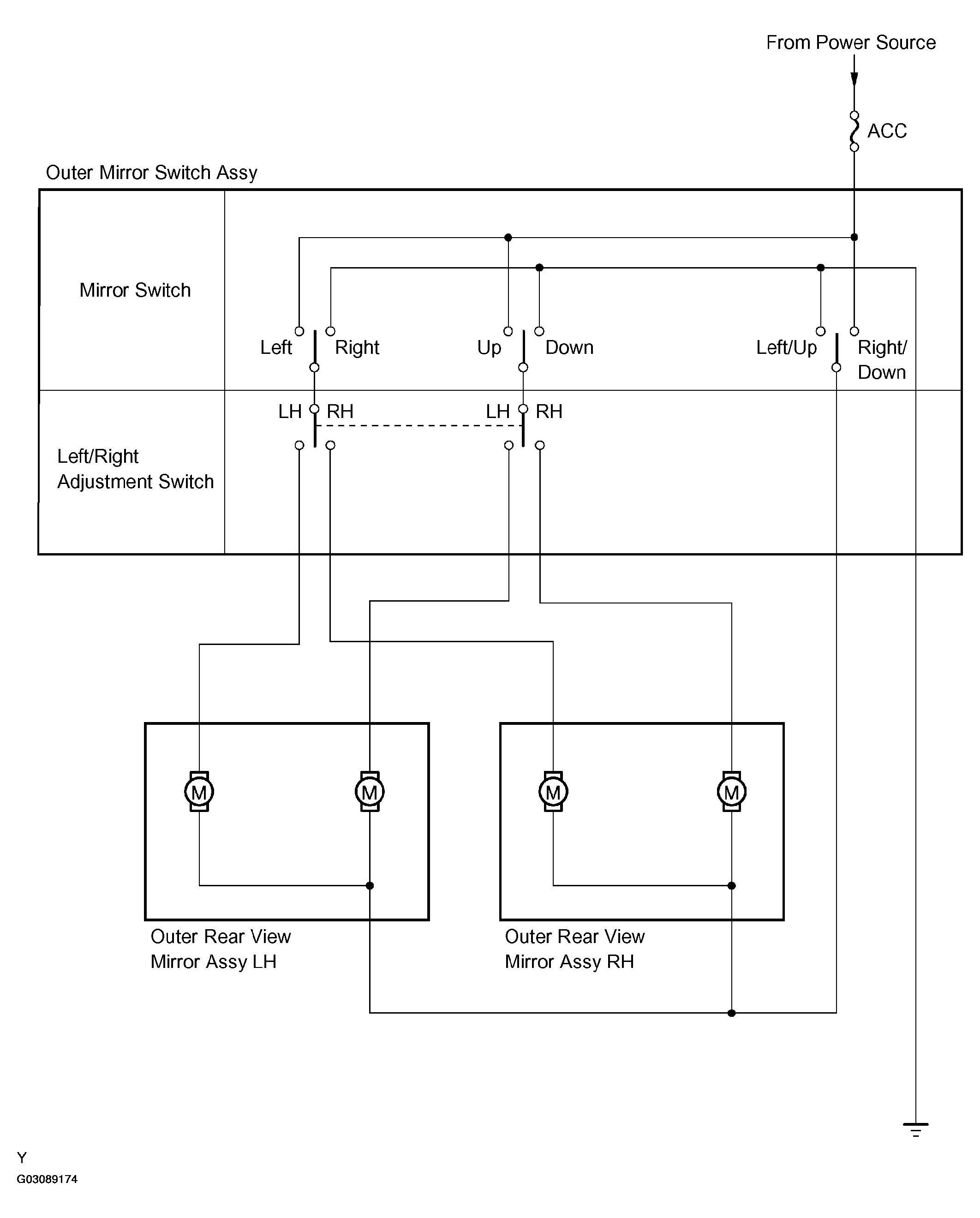
System Diagram

Fig 1: Power Mirror Control System Diagram
G03089174Courtesy of © TOYOTA, LICENSE AGREEMENT TMS1002