LEMON Manuals: Even more car manuals for everyone: 1960-2025
Home >> Toyota >> 2006 >> Avalon XLS >> Repair and Diagnosis (Single Page) >> Electrical >> Body Electrical >> OEM System Circuits >> Multi Display without Navigation System >> Notes
April 5, 2026: LEMON Manuals is launched! Read the announcement.

Multi Display without Navigation System: Notes

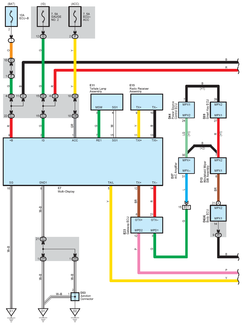
Fig 1: Multi Display (Without Navigation System) System Wiring Diagram (1 Of 2)
G08779155Courtesy of © TOYOTA, LICENSE AGREEMENT TMS1002
Fig 2: Multi Display (Without Navigation System) System Wiring Diagram (2 Of 2)
G08779156Courtesy of © TOYOTA, LICENSE AGREEMENT TMS1002