LEMON Manuals: Even more car manuals for everyone: 1960-2025
Home >> Toyota >> 2006 >> Avalon XLS >> Repair and Diagnosis (Single Page) >> Electrical >> Body Electrical >> OEM System Circuits >> Remote Control Mirror with Memory >> Notes
April 5, 2026: LEMON Manuals is launched! Read the announcement.

Remote Control Mirror with Memory: Notes

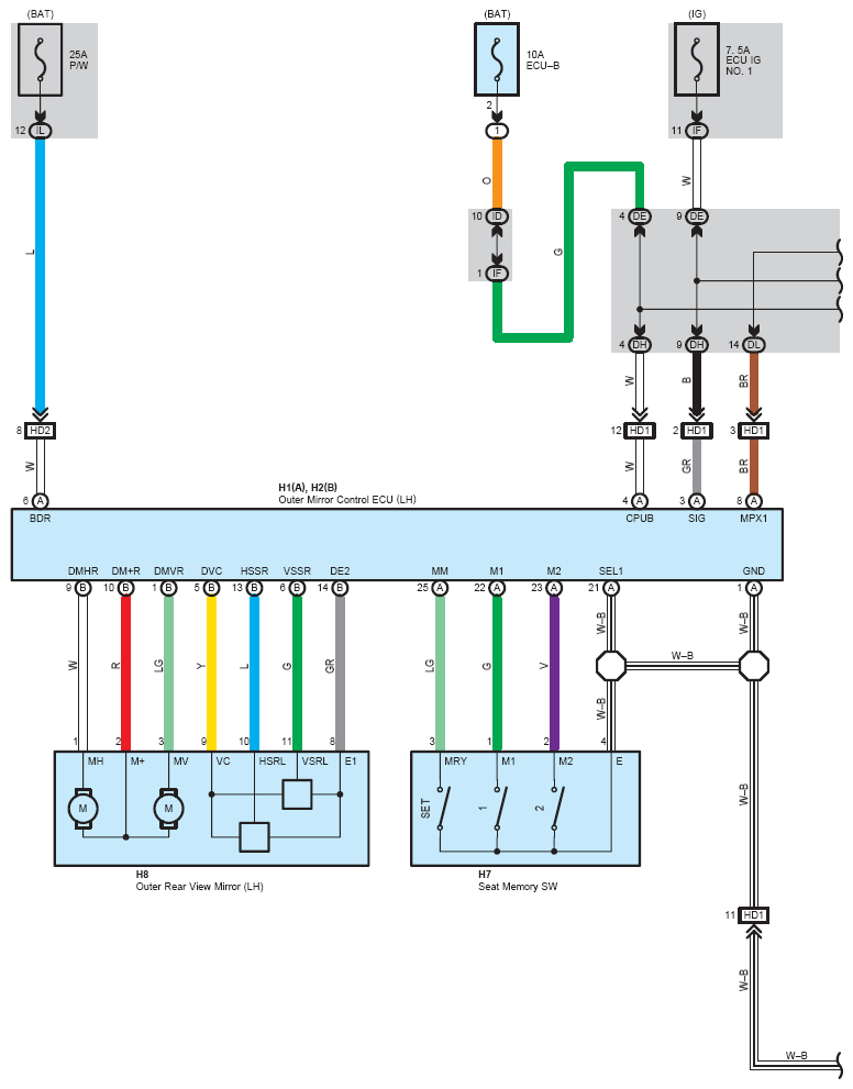
Fig 1: Remote Control Mirror (With Memory) System Wiring Diagram (1 Of 4)
G08779139Courtesy of © TOYOTA, LICENSE AGREEMENT TMS1002
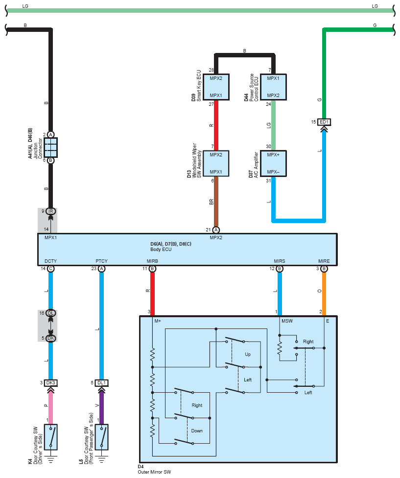
Fig 2: Remote Control Mirror (With Memory) System Wiring Diagram (2 Of 4)
G08779140Courtesy of © TOYOTA, LICENSE AGREEMENT TMS1002
Fig 3: Remote Control Mirror (With Memory) System Wiring Diagram (3 Of 4)
G08779141Courtesy of © TOYOTA, LICENSE AGREEMENT TMS1002
Fig 4: Remote Control Mirror (With Memory) System Wiring Diagram (4 Of 4)
G08779142Courtesy of © TOYOTA, LICENSE AGREEMENT TMS1002