LEMON Manuals: Even more car manuals for everyone: 1960-2025
Home >> Toyota >> 2006 >> Avalon XLS >> Repair and Diagnosis (Single Page) >> Electrical >> Body Electrical >> OEM System Circuits >> Wireless Door Lock Control without Smart Key System >> Notes
April 5, 2026: LEMON Manuals is launched! Read the announcement.

Wireless Door Lock Control without Smart Key System: Notes

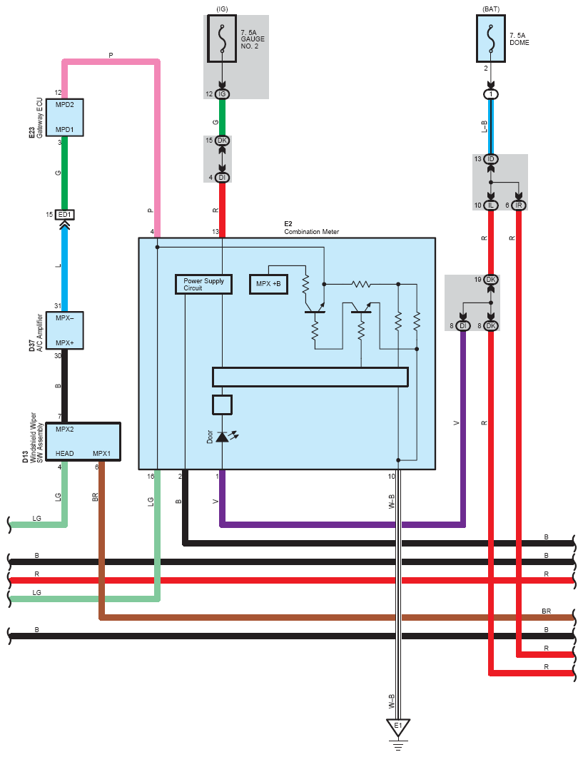
Fig 1: Wireless Door Lock Control (Without Smart Key) System Wiring Diagram (1 Of 7)
G08779066Courtesy of © TOYOTA, LICENSE AGREEMENT TMS1002
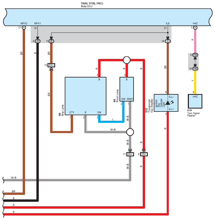
Fig 2: Wireless Door Lock Control (Without Smart Key) System Wiring Diagram (2 Of 7)
G08779067Courtesy of © TOYOTA, LICENSE AGREEMENT TMS1002
Fig 3: Wireless Door Lock Control (Without Smart Key) System Wiring Diagram (3 Of 7)
G08779068Courtesy of © TOYOTA, LICENSE AGREEMENT TMS1002
Fig 4: Wireless Door Lock Control (Without Smart Key) System Wiring Diagram (4 Of 7)
G08779069Courtesy of © TOYOTA, LICENSE AGREEMENT TMS1002
Fig 5: Wireless Door Lock Control (Without Smart Key) System Wiring Diagram (5 Of 7)
G08779070Courtesy of © TOYOTA, LICENSE AGREEMENT TMS1002
Fig 6: Wireless Door Lock Control (Without Smart Key) System Wiring Diagram (6 Of 7)
G08779071Courtesy of © TOYOTA, LICENSE AGREEMENT TMS1002
Fig 7: Wireless Door Lock Control (Without Smart Key) System Wiring Diagram (7 Of 7)
G08779072Courtesy of © TOYOTA, LICENSE AGREEMENT TMS1002