LEMON Manuals: Even more car manuals for everyone: 1960-2025
Home >> Toyota >> 2006 >> Avalon XLS >> Repair and Diagnosis >> Electrical >> Body Electrical >> OEM System Circuits >> Air Conditioning >> Notes
April 5, 2026: LEMON Manuals is launched! Read the announcement.

Air Conditioning: Notes

Fig 1: Air Conditioning System Wiring Diagram (1 Of 6)
G08779170Courtesy of © TOYOTA, LICENSE AGREEMENT TMS1002
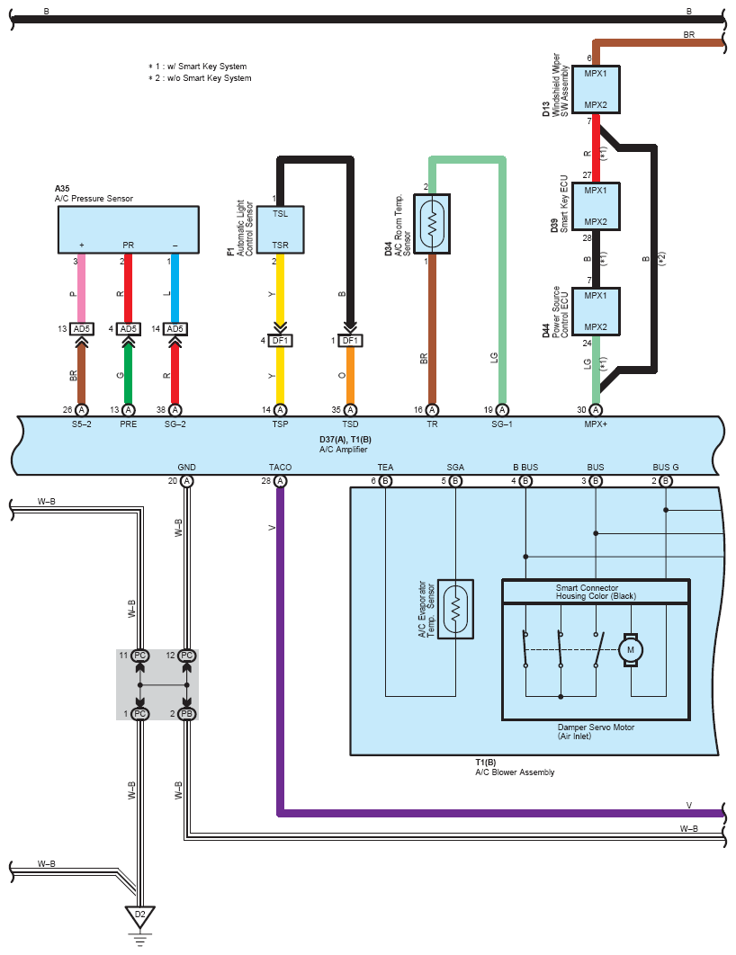
Fig 2: Air Conditioning System Wiring Diagram (2 Of 6)
G08779171Courtesy of © TOYOTA, LICENSE AGREEMENT TMS1002
Fig 3: Air Conditioning System Wiring Diagram (3 Of 6)
G08779172Courtesy of © TOYOTA, LICENSE AGREEMENT TMS1002
Fig 4: Air Conditioning System Wiring Diagram (4 Of 6)
G08779173Courtesy of © TOYOTA, LICENSE AGREEMENT TMS1002
Fig 5: Air Conditioning System Wiring Diagram (5 Of 6)
G08779174Courtesy of © TOYOTA, LICENSE AGREEMENT TMS1002
Fig 6: Air Conditioning System Wiring Diagram (6 Of 6)
G08779175Courtesy of © TOYOTA, LICENSE AGREEMENT TMS1002