LEMON Manuals: Even more car manuals for everyone: 1960-2025
Home >> Toyota >> 2006 >> Avalon XLS >> Repair and Diagnosis >> Engine Performance >> Engine Control System >> SFI System >> Cranking Holding Function Circuit >> Wiring Diagram
April 5, 2026: LEMON Manuals is launched! Read the announcement.

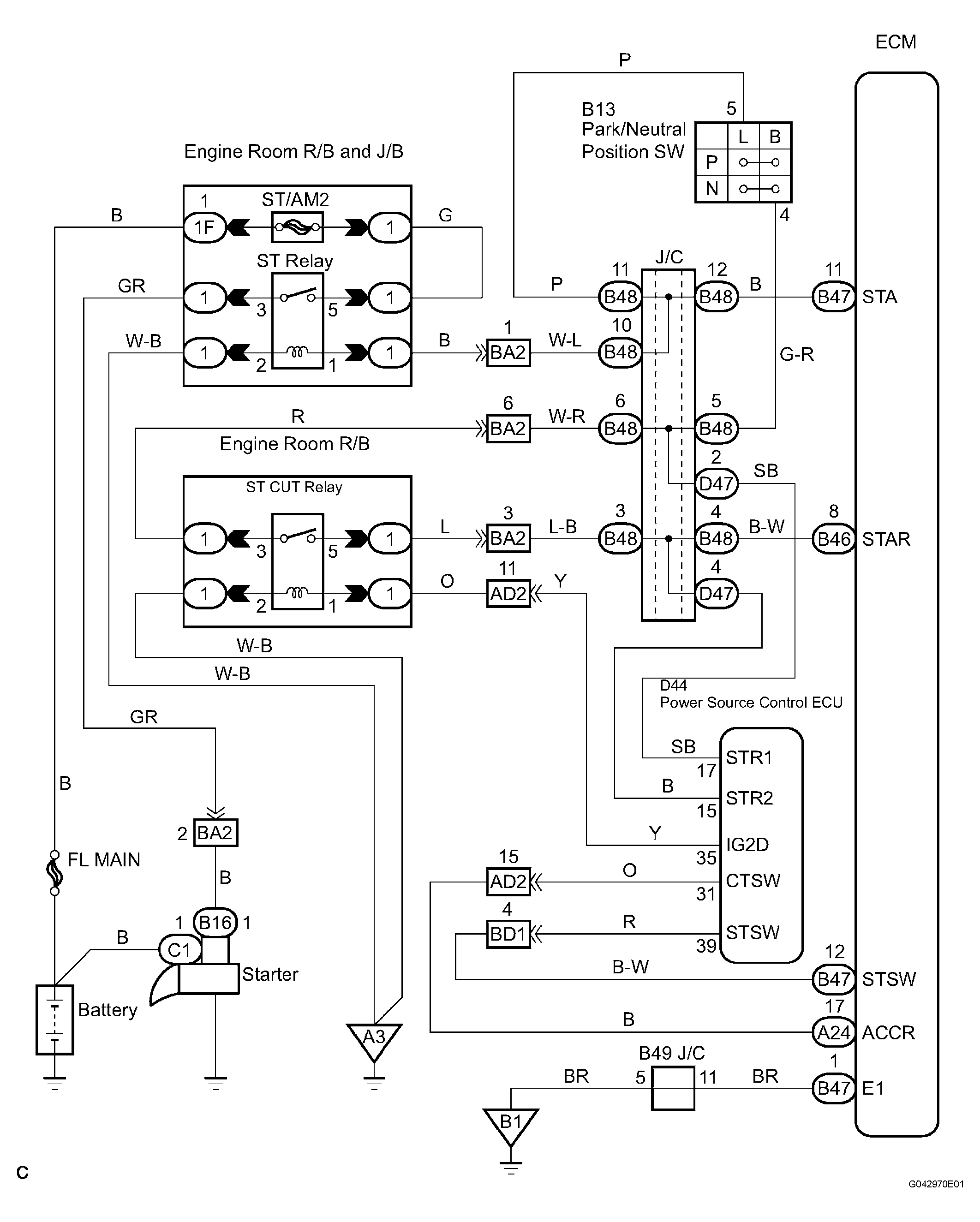
Cranking Holding Function Circuit: Wiring Diagram

Fig 1: Cranking Holding Function Wiring Diagram
G04375217Courtesy of © TOYOTA, LICENSE AGREEMENT TMS1002