LEMON Manuals: Even more car manuals for everyone: 1960-2025
Home >> Toyota >> 2006 >> Avalon XLS >> Repair and Diagnosis >> Engine Performance >> Engine Control System >> SFI System >> Fuel Pump Control Circuit >> Wiring Diagram
April 5, 2026: LEMON Manuals is launched! Read the announcement.

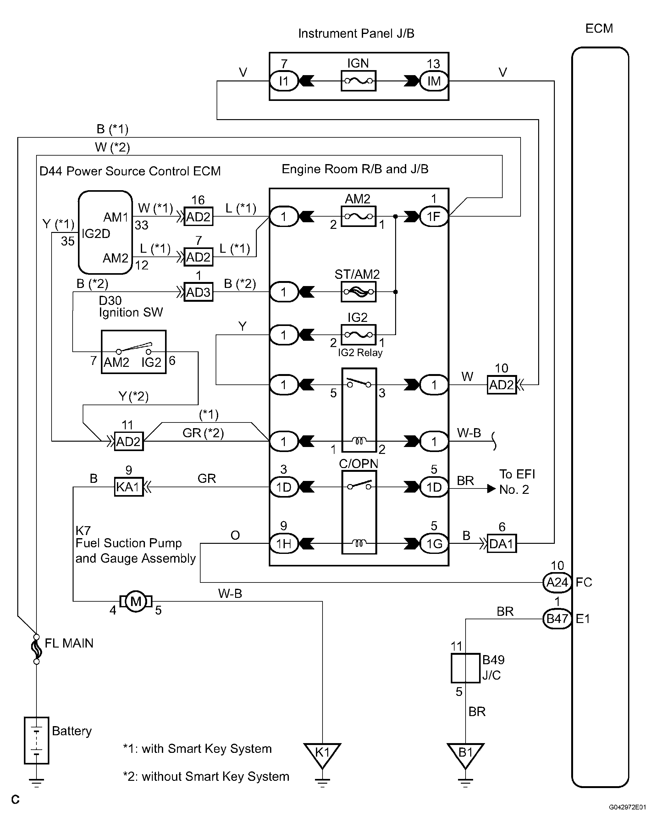
Fuel Pump Control Circuit: Wiring Diagram

Fig 1: Fuel Pump Control Circuit Wiring Diagram
G04375211Courtesy of © TOYOTA, LICENSE AGREEMENT TMS1002