LEMON Manuals: Even more car manuals for everyone: 1960-2025
Home >> Toyota >> 2006 >> Avalon XLS >> Repair and Diagnosis >> Engine Performance >> Fuel Delivery >> Engine Fuel System >> Fuel System >> System Diagram
April 5, 2026: LEMON Manuals is launched! Read the announcement.

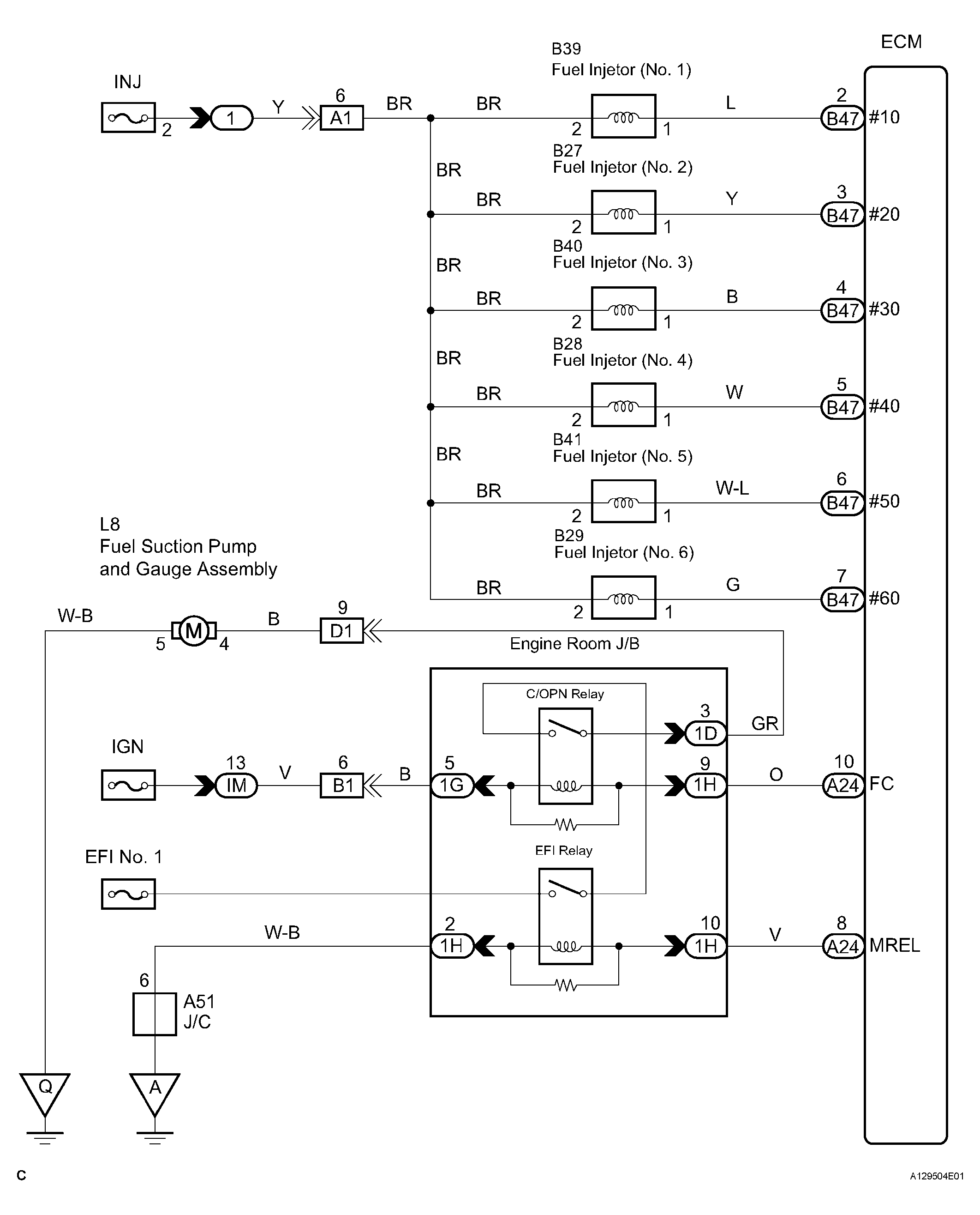
System Diagram

Fig 1: Fuel System Diagram
G04376959Courtesy of © TOYOTA, LICENSE AGREEMENT TMS1002