LEMON Manuals: Even more car manuals for everyone: 1960-2025
Home >> Toyota >> 2006 >> Camry Base, Automatic >> Repair and Diagnosis >> Body & Frame >> Windows >> Windshield/WINDOWGLASS/Mirror >> Power Window Control System >> Inspection
April 5, 2026: LEMON Manuals is launched! Read the announcement.

Power Window Control System: Inspection

  1. INSPECT POWER WINDOW REGULATOR MASTER SWITCH ASSY 
    1. Check the continuity between each terminal of the connector.
    NOTE: Whether the operation is good or bad can be judged by the basic function check, because the continuity cannot be checked by UP/DOWN operation of the driver side switch.
    Fig 1: Identifying Power Window Regulator Master Switch Connector Terminals
    G04394508Courtesy of TOYOTA MOTOR SALES, U.S.A., INC.

    Standard (Window unlock): 

    WINDOW UNLOCK - TERMINAL REFERENCE TABLE

    Switch position Passenger Side Terminals No. Rear RH Terminals No. Rear LH Terminals No.
    UP 6 - 13 *1 (6 - 18 *2), 1 - 15 6 - 18 *1 (6 - 10 *2), 1 - 16 6 - 12, 1 - 10 *1 (1 - 13 *2)
    OFF 1 - 13 *1 (1 - 18 *2), 1 - 15 1 - 18 *1 (1 - 10 *2), 1 - 16 6 - 12, 1 - 10 *1 (1 - 12 *2)
    DOWN 6 - 15, 1 - 13 *1 (1 - 18 *2) 6 - 16, 1 - 18 *1 (1 - 10 *2) 6 - 10 *1 (6 - 13 *2), 1 - 12

    Standard (Window lock): 

    WINDOW LOCK - TERMINAL REFERENCE TABLE

    Switch position Passenger Side Terminals No. Rear RH Terminals No. Rear LH Terminals No.
    UP 6 - 13 (1) (6 - 18 (2)) 6 - 18 (1) (6 - 10 (2)) 6 - 12
    OFF 13 - 15 (1) (18 - 15 (2)) 16 - 18 (1) (1 - 10 (2)) 10 - 12
    DOWN 6 - 15 6 - 16 6 - 10 (1) (6 - 13 (2))
    (1) w/ Jam protection
    (2) w/o Jam protection

    If the continuity is not as specified, replace the switch.

  2. INSPECT POWER WINDOW REGULATOR SWITCH ASSY 
    1. Check the continuity between each terminal of the connector when operating the switch.
    2. Fig 2: Identifying Power Window Regulator Switch Connector Terminals
      G04394509Courtesy of TOYOTA MOTOR SALES, U.S.A., INC.

    Standard: 

    POWER WINDOW REGULATOR SWITCH - CONTINUITY TABLE

    Switch position Terminals No. Condition
    UP 1 - 2
    3 - 4
    Continuity
    OFF 1 - 2
    3 - 5
    Continuity
    DOWN 1 - 4
    3 - 5
    Continuity

    If the continuity is not as specified, replace the switch.

  3. INSPECT POWER WINDOW REGULATOR MOTOR ASSY LH 
    NOTE:
    • Be sure not to apply battery voltage to terminals 2, 3 and 6 of the power window regulator motor assy LH connector, because it might damage the pulse sensor and the limit switch.
    • Be sure to reset the power window regulator motor assembly (initial position setting of the limit switch) when the power window regulator motor assy LH is installed to the regulator.
    1. Inspect operation of the front LH power window regulator motor assembly.
      1. When adding battery voltage to each connector terminal, check that the motor operates smoothly.
      2. Fig 3: Inspecting Front LH Power Window Regulator Motor Assembly Operation
        G04394510Courtesy of TOYOTA MOTOR SALES, U.S.A., INC.

      Standard: 

      FRONT LH POWER WINDOW REGULATOR MOTOR - OPERATION TABLE

      Measurement condition Operational direction
      Battery positive - Terminal 5
      Battery negative - Terminal 4
      Clockwise
      Battery positive - Terminal 4
      Battery negative - Terminal 5
      Counterclockwise
    2. Check operation of the PTC inside the power window regulator motor.
      NOTE: Work must be performed with the power window regulator and door glass installed to the vehicle.
      1. Set the DC 400 A probe to terminal 4 or 5 of the wire harness.
        NOTE: Match the arrow mark of the probe with the current direction.
      2. Set the door glass at the fully closed position.
      3. When approximately 60 seconds have passed after fully closing the door glass, check how long the current takes to change from approximately 16 - 34 A to less than 1 A when pulling the power regulator switch UP furthermore (at initial time).

        Standard: Approximately 4 - 90 seconds 

      4. When approximately 60 seconds have passed after the cut-off check, check that the door glass goes down when the power regulator switch is pressed DOWN.
  4. INSPECT POWER WINDOW REGULATOR MOTOR ASSY RH 
    1. Inspect operation of the front RH power window regulator motor assembly.
      1. When adding battery voltage to each connector terminal, check that the motor operates smoothly.
      2. Fig 4: Inspecting Front RH Power Window Regulator Motor Operation
        G04394511Courtesy of TOYOTA MOTOR SALES, U.S.A., INC.

      Standard: 

      FRONT RH POWER WINDOW REGULATOR MOTOR - OPERATION TABLE

      Measurement condition Operational direction
      Battery positive - Terminal 5
      Battery negative - Terminal 4
      Clockwise
      Battery positive - Terminal 4
      Battery negative - Terminal 5
      Counterclockwise
    2. Check operation of the PTC inside the power window regulator motor.
      NOTE: Work must be performed with the power window regulator and door glass installed to the vehicle.
      1. Set the DC 400 A probe to terminal 4 or 5 of the wire harness.
        NOTE: Match the arrow mark of the probe with the current direction.
      2. Set the door glass at the fully closed position.
      3. When approximately 60 seconds have passed after fully closing the door glass, check how long the current takes to change from approximately 16 - 34 A to less than 1 A when pulling the power regulator switch UP furthermore (at initial time).

        Standard: Approximately 4 - 90 seconds 

      4. When approximately 60 seconds have passed after the cut-off check, check that the door glass goes down when the power regulator switch is pressed DOWN.
  5. INSPECT POWER WINDOW REGULATOR MOTOR ASSY LH 
    1. Inspect operation of the rear LH power window regulator motor assembly.
      1. When adding battery voltage to each connector terminal, check that the motor operates smoothly.
      2. Fig 5: Inspecting Rear LH Power Window Regulator Motor Assy Operation
        G04394512Courtesy of TOYOTA MOTOR SALES, U.S.A., INC.

      Standard: 

      REAR LH POWER WINDOW REGULATOR MOTOR - OPERATION TABLE

      Measurement condition Operational direction
      Battery positive - Terminal 5
      Battery negative - Terminal 4
      Clockwise
      Battery positive - Terminal 4
      Battery negative - Terminal 5
      Counterclockwise
    2. Check operation of the PTC inside the power window regulator motor.
      NOTE: Work must be performed with the power window regulator and door glass installed to the vehicle.
      1. Set the DC 400 A probe terminal 4 or 5 of the wire harness.
        NOTE: Match the arrow mark of the probe with the current direction.
      2. Set the door glass at the fully closed position.
      3. When approximately 60 seconds have passed after fully closing the door glass, check how long the current takes to change from approximately 16 - 34 A to less than 1 A when pulling the power regulator switch UP furthermore (at initial time).

        Standard: Approximately 4 - 90 seconds 

      4. When approximately 60 seconds have passed after the cut-off check, check that the door glass goes down when the power regulator switch is pressed DOWN.
  6. INSPECT POWER WINDOW REGULATOR MOTOR ASSY RH 
    1. Inspect operation of the rear RH power window regulator motor assembly.
      1. When adding battery voltage to each connector terminal, check that the motor operates smoothly.
      2. Fig 6: Inspecting Rear RH Power Window Regulator Motor Assy Operation
        G04394513Courtesy of TOYOTA MOTOR SALES, U.S.A., INC.

      Standard: 

      REAR RH POWER WINDOW REGULATOR MOTOR - OPERATION TABLE

      Measurement condition Operational direction
      Battery positive - Terminal 5
      Battery negative - Terminal 4
      Clockwise
      Battery positive - Terminal 4
      Battery negative - Terminal 5
      Counterclockwise
    2. Check operation of the PTC inside the power window regulator motor.
      NOTE: Work must be performed with the power window regulator and door glass installed to the vehicle.
      1. Set the DC 400 A probe to terminal 4 or 5 of the wire harness.
        NOTE: Match the arrow mark of the probe with the current direction.
      2. Set the door glass at the fully closed position.
      3. When approximately 60 seconds have passed after fully closing the door glass, check how long the current takes to change from approximately 16 - 34 A to less than 1 A when pulling the power regulator switch UP furthermore (at initial time).

        Standard: Approximately 4 - 90 seconds 

      4. When approximately 60 seconds have passed after the cut-off check, check that the door glass goes down when the power regulator switch is pressed DOWN.
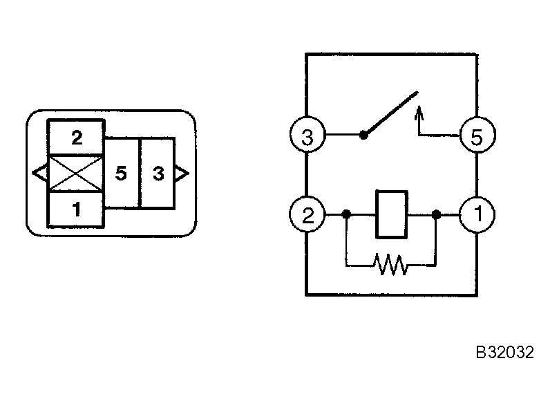
  7. INSPECT POWER WINDOW RELAY ASSY 
    1. Inspect the power window relay continuity.
    2. Fig 7: Inspecting Power Window Relay Assy Continuity
      G04394514Courtesy of TOYOTA MOTOR SALES, U.S.A., INC.

    Standard: 

    POWER WINDOW RELAY ASSY - CONTINUITY TABLE

    Terminals No. Condition Specified Condition
    1 - 2 Constant Continuity
    3 - 5 Constant No continuity
    3 - 5 Apply B + to terminals 1 and 2 Continuity

    If the continuity is not as specified, replace the relay.