LEMON Manuals: Even more car manuals for everyone: 1960-2025
Home >> Toyota >> 2006 >> Camry Base, Standard >> Repair and Diagnosis (Single Page) >> Engine Performance >> System >> Engine Control System (SFI) (2AZ-FE) - Diagnostics >> DTC P0327 Knock Sensor 1 Circuit Low Input (Bank 1 Or Single Sensor); DTC P0328 Knock Sensor 1 Circuit High Input (Bank 1 Or Single Sensor) >> Wiring Diagram
April 5, 2026: LEMON Manuals is launched! Read the announcement.

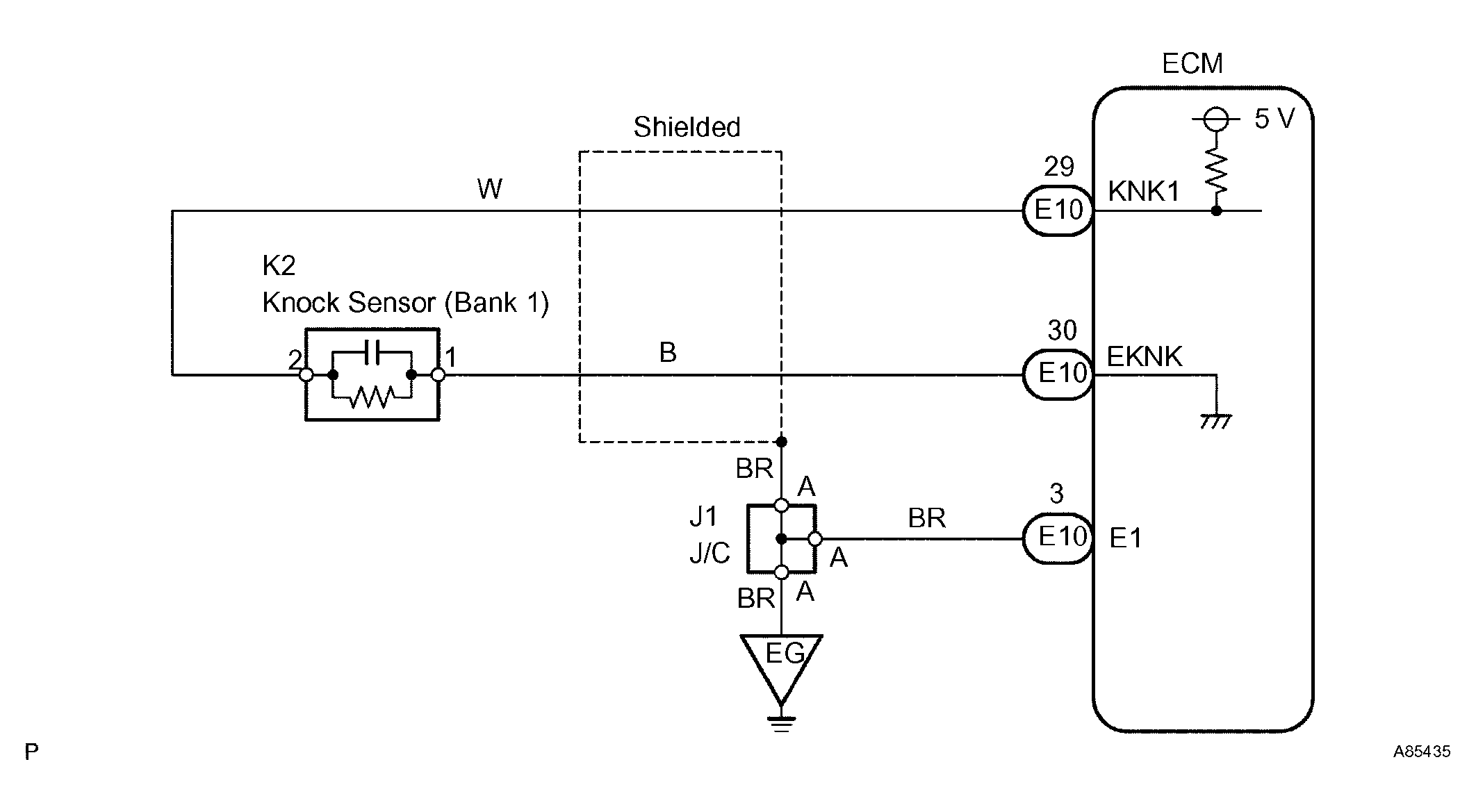
DTC P0327 Knock Sensor 1 Circuit Low Input (Bank 1 Or Single Sensor); DTC P0328 Knock Sensor 1 Circuit High Input (Bank 1 Or Single Sensor): Wiring Diagram

Fig 1: DTCs P0327, P0328 - Wiring Diagram
G04389170Courtesy of TOYOTA MOTOR SALES, U.S.A., INC.