LEMON Manuals: Even more car manuals for everyone: 1960-2025
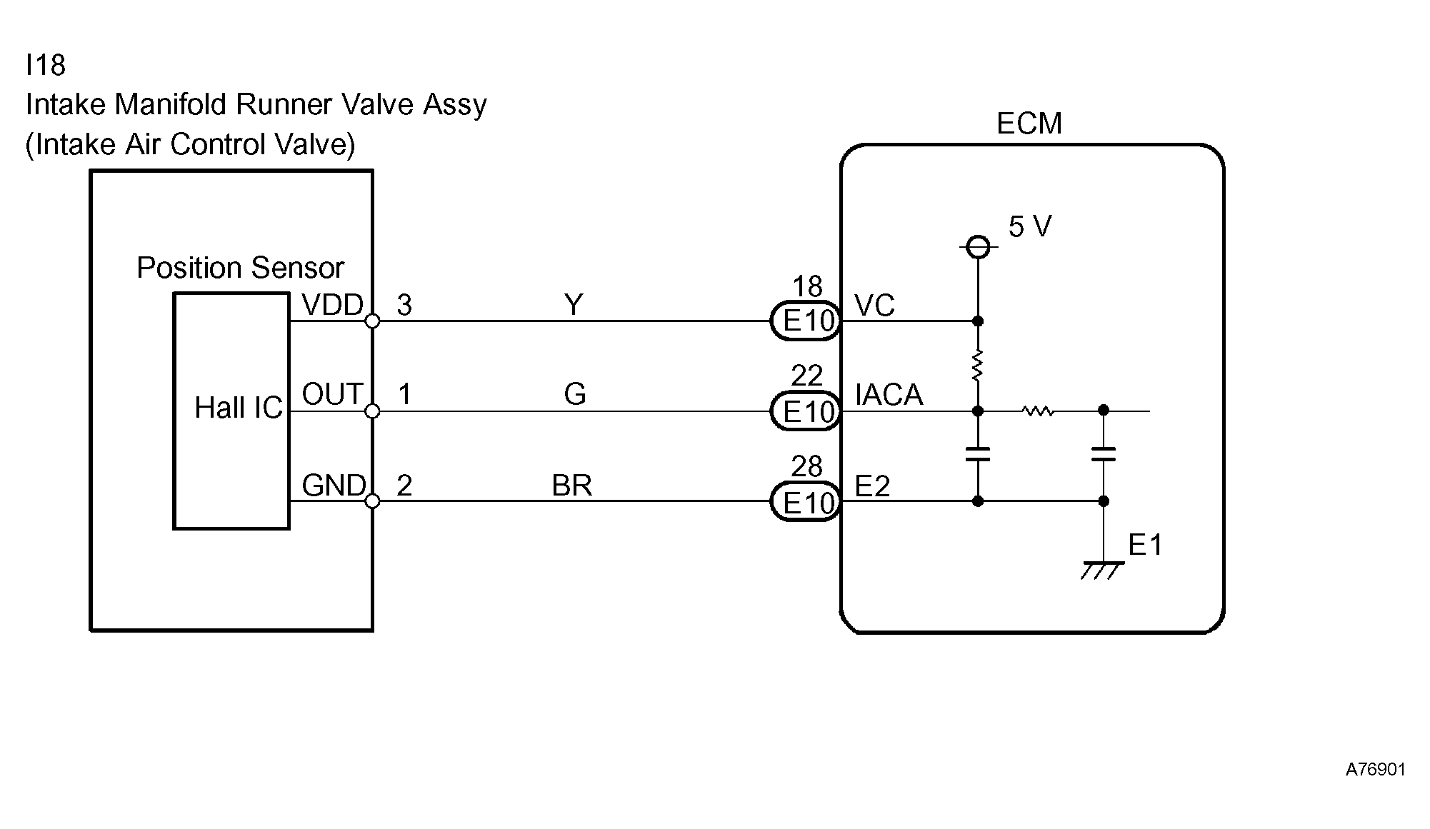
Home >> Toyota >> 2006 >> Camry Base, Standard >> Repair and Diagnosis (Single Page) >> Engine Performance >> Testing & Diagnosis >> Engine Control System (SFI) (2AZ-FE) (PZEV) - Diagnostics >> DTC P2014: Intake Manifold Runner Position Sensor/Switch Circuit (Bank 1); DTC P2016: Intake Manifold Runner Position Sensor/Switch Circuit Low (Bank 1); DTC P2017: Intake Manifold Runner Position Sensor/Switch Circuit High (Bank 1) >> Wiring Diagram
April 5, 2026: LEMON Manuals is launched! Read the announcement.

DTC P2014: Intake Manifold Runner Position Sensor/Switch Circuit (Bank 1); DTC P2016: Intake Manifold Runner Position Sensor/Switch Circuit Low (Bank 1); DTC P2017: Intake Manifold Runner Position Sensor/Switch Circuit High (Bank 1): Wiring Diagram

Fig 1: DTCs P2014, P2016, P2017 - Wiring Diagram
G04389514Courtesy of TOYOTA MOTOR SALES, U.S.A., INC.