LEMON Manuals: Even more car manuals for everyone: 1960-2025
Home >> Toyota >> 2006 >> Camry Base, Standard >> Repair and Diagnosis >> Electrical >> Body Electrical >> OEM System Circuits >> Clock >> Notes
April 5, 2026: LEMON Manuals is launched! Read the announcement.

OEM System Circuits: Clock: Notes

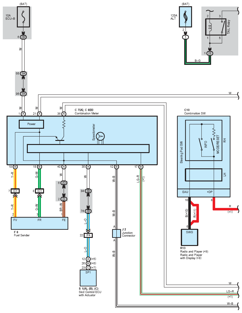
Fig 1: Clock System Wiring Diagram (1 Of 2)
G08775654Courtesy of © TOYOTA, LICENSE AGREEMENT TMS1002
Fig 2: Clock System Wiring Diagram (2 Of 2)
G08775655Courtesy of © TOYOTA, LICENSE AGREEMENT TMS1002