LEMON Manuals: Even more car manuals for everyone: 1960-2025
Home >> Toyota >> 2006 >> Camry Base, Standard >> Repair and Diagnosis >> Electrical >> Body Electrical >> OEM System Circuits >> Multiplex Communication System - BEAN >> Notes
April 5, 2026: LEMON Manuals is launched! Read the announcement.

Multiplex Communication System - BEAN: Notes

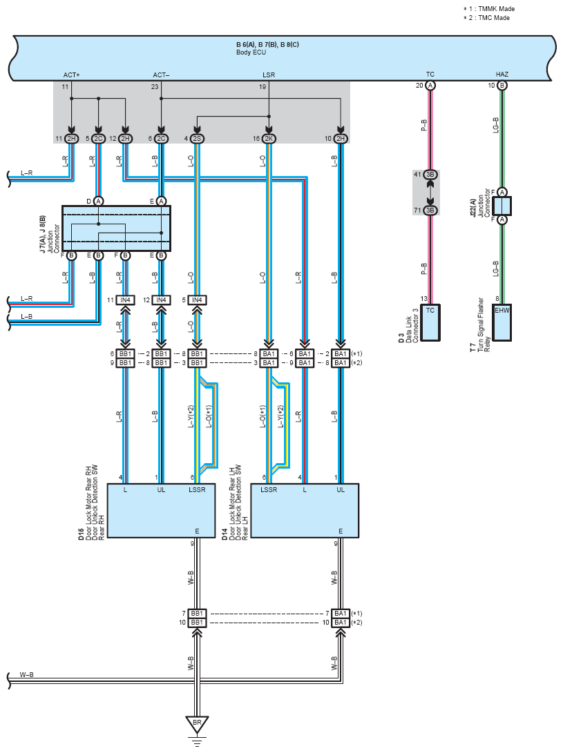
Fig 1: Multiplex Communication System Wiring Diagram - BEAN (1 Of 10)
G08775574Courtesy of © TOYOTA, LICENSE AGREEMENT TMS1002
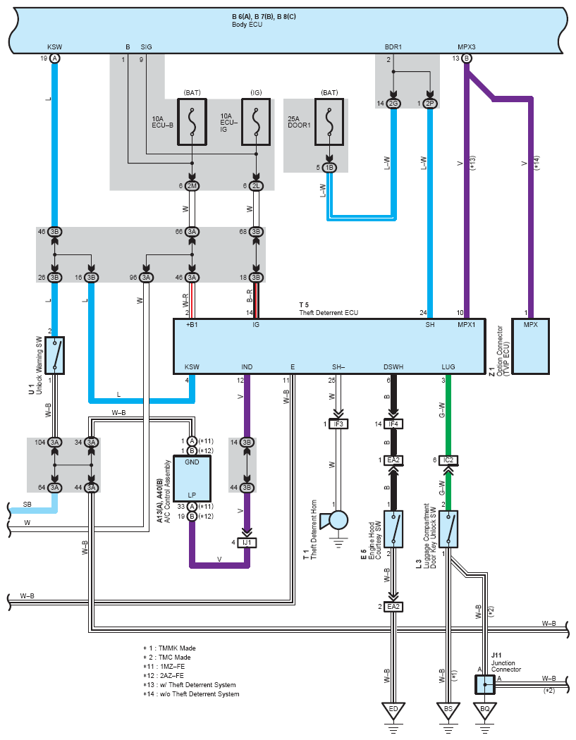
Fig 2: Multiplex Communication System Wiring Diagram - BEAN (2 Of 10)
G08775575Courtesy of © TOYOTA, LICENSE AGREEMENT TMS1002
Fig 3: Multiplex Communication System Wiring Diagram - BEAN (3 Of 10)
G08775576Courtesy of © TOYOTA, LICENSE AGREEMENT TMS1002
Fig 4: Multiplex Communication System Wiring Diagram - BEAN (4 Of 10)
G08775577Courtesy of © TOYOTA, LICENSE AGREEMENT TMS1002
Fig 5: Multiplex Communication System Wiring Diagram - BEAN (5 Of 10)
G08775578Courtesy of © TOYOTA, LICENSE AGREEMENT TMS1002
Fig 6: Multiplex Communication System Wiring Diagram - BEAN (6 Of 10)
G08775579Courtesy of © TOYOTA, LICENSE AGREEMENT TMS1002
Fig 7: Multiplex Communication System Wiring Diagram - BEAN (7 Of 10)
G08775580Courtesy of © TOYOTA, LICENSE AGREEMENT TMS1002
Fig 8: Multiplex Communication System Wiring Diagram - BEAN (8 Of 10)
G08775581Courtesy of © TOYOTA, LICENSE AGREEMENT TMS1002
Fig 9: Multiplex Communication System Wiring Diagram - BEAN (9 Of 10)
G08775582Courtesy of © TOYOTA, LICENSE AGREEMENT TMS1002
Fig 10: Multiplex Communication System Wiring Diagram - BEAN (10 Of 10)
G08775583Courtesy of © TOYOTA, LICENSE AGREEMENT TMS1002