LEMON Manuals: Even more car manuals for everyone: 1960-2025
Home >> Toyota >> 2006 >> Corolla LE, Standard >> Repair and Diagnosis >> Electrical >> Body Electrical >> OEM System Circuits >> ECT >> Notes
April 5, 2026: LEMON Manuals is launched! Read the announcement.

OEM System Circuits: ECT: Notes

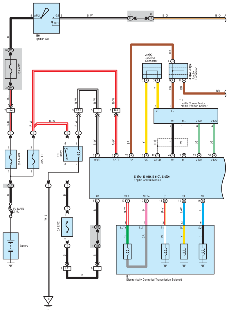
Fig 1: ECT System Wiring Diagram (1 Of 3)
G08779709Courtesy of © TOYOTA, LICENSE AGREEMENT TMS1002
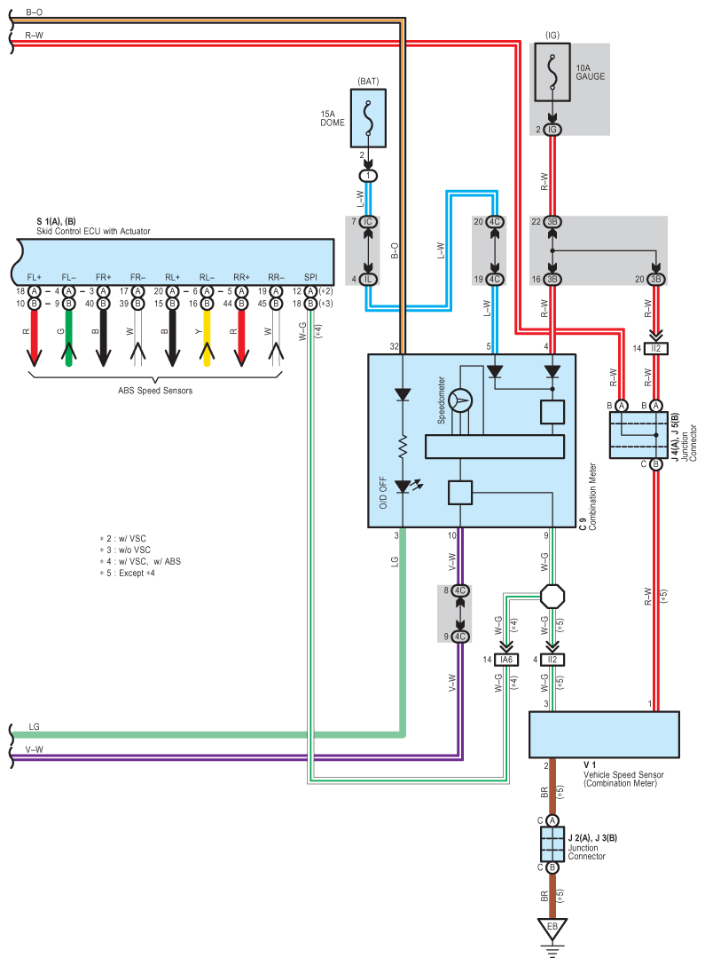
Fig 2: ECT System Wiring Diagram (2 Of 3)
G08779710Courtesy of © TOYOTA, LICENSE AGREEMENT TMS1002
Fig 3: ECT System Wiring Diagram (3 Of 3)
G08779711Courtesy of © TOYOTA, LICENSE AGREEMENT TMS1002