LEMON Manuals: Even more car manuals for everyone: 1960-2025
Home >> Toyota >> 2006 >> Corolla LE, Standard >> Repair and Diagnosis >> Electrical >> Body Electrical >> OEM System Circuits >> Engine Control for 1ZZ-FE >> Notes
April 5, 2026: LEMON Manuals is launched! Read the announcement.

Engine Control for 1ZZ-FE: Notes

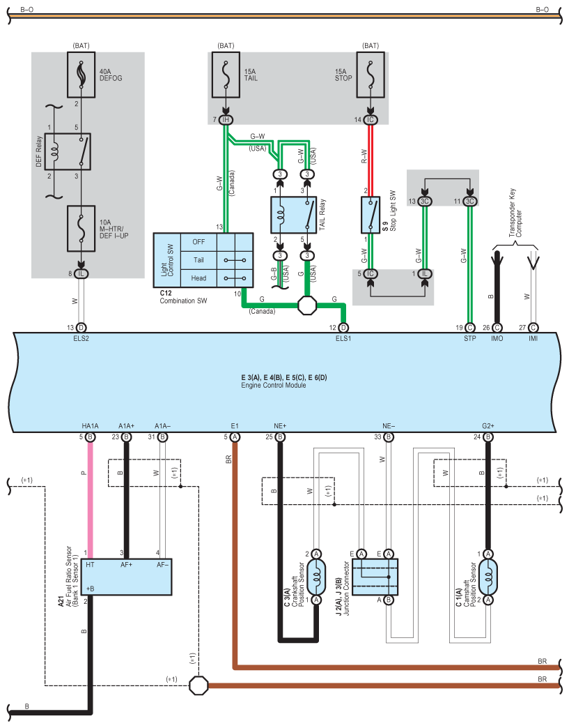
Fig 1: Engine Control System (For 1ZZ-FE) Wiring Diagram (1 Of 8)
G08779657Courtesy of © TOYOTA, LICENSE AGREEMENT TMS1002
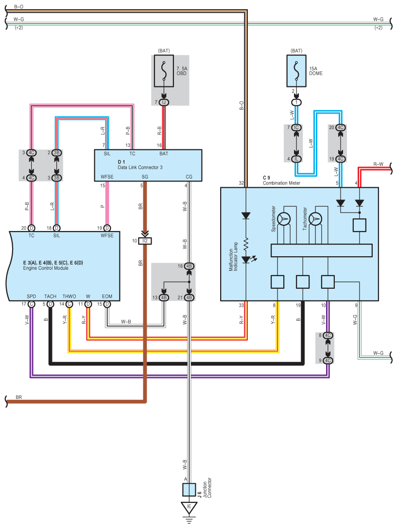
Fig 2: Engine Control System (For 1ZZ-FE) Wiring Diagram (2 Of 8)
G08779658Courtesy of © TOYOTA, LICENSE AGREEMENT TMS1002
Fig 3: Engine Control System (For 1ZZ-FE) Wiring Diagram (3 Of 8)
G08779659Courtesy of © TOYOTA, LICENSE AGREEMENT TMS1002
Fig 4: Engine Control System (For 1ZZ-FE) Wiring Diagram (4 Of 8)
G08779660Courtesy of © TOYOTA, LICENSE AGREEMENT TMS1002
Fig 5: Engine Control System (For 1ZZ-FE) Wiring Diagram (5 Of 8)
G08779661Courtesy of © TOYOTA, LICENSE AGREEMENT TMS1002
Fig 6: Engine Control System (For 1ZZ-FE) Wiring Diagram (6 Of 8)
G08779662Courtesy of © TOYOTA, LICENSE AGREEMENT TMS1002
Fig 7: Engine Control System (For 1ZZ-FE) Wiring Diagram (7 Of 8)
G08779663Courtesy of © TOYOTA, LICENSE AGREEMENT TMS1002
Fig 8: Engine Control System (For 1ZZ-FE) Wiring Diagram (8 Of 8)
G08779664Courtesy of © TOYOTA, LICENSE AGREEMENT TMS1002