LEMON Manuals: Even more car manuals for everyone: 1960-2025
Home >> Toyota >> 2006 >> Corolla LE, Standard >> Repair and Diagnosis >> Electrical >> Body Electrical >> OEM System Circuits >> Taillight >> Notes
April 5, 2026: LEMON Manuals is launched! Read the announcement.

OEM System Circuits: Taillight: Notes

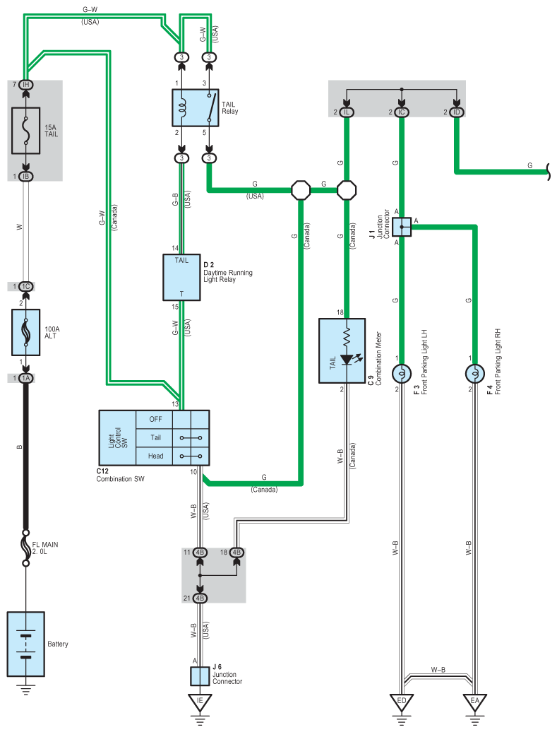
Fig 1: Taillight System Wiring Diagram (1 Of 2)
G08779679Courtesy of © TOYOTA, LICENSE AGREEMENT TMS1002
Fig 2: Taillight System Wiring Diagram (2 Of 2)
G08779680Courtesy of © TOYOTA, LICENSE AGREEMENT TMS1002