LEMON Manuals: Even more car manuals for everyone: 1960-2025
Home >> Toyota >> 2006 >> Corolla XRS >> Repair and Diagnosis >> Electrical >> Body Electrical >> OEM System Circuits >> Clock >> Notes
April 5, 2026: LEMON Manuals is launched! Read the announcement.

OEM System Circuits: Clock: Notes

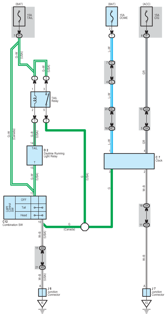
Fig 1: Clock System Wiring Diagram
G08779690Courtesy of © TOYOTA, LICENSE AGREEMENT TMS1002