LEMON Manuals: Even more car manuals for everyone: 1960-2025
Home >> Toyota >> 2006 >> Land Cruiser >> Repair and Diagnosis >> Electrical >> Body Electrical >> OEM System Circuits >> Light Auto Turn Off System >> Notes
April 5, 2026: LEMON Manuals is launched! Read the announcement.

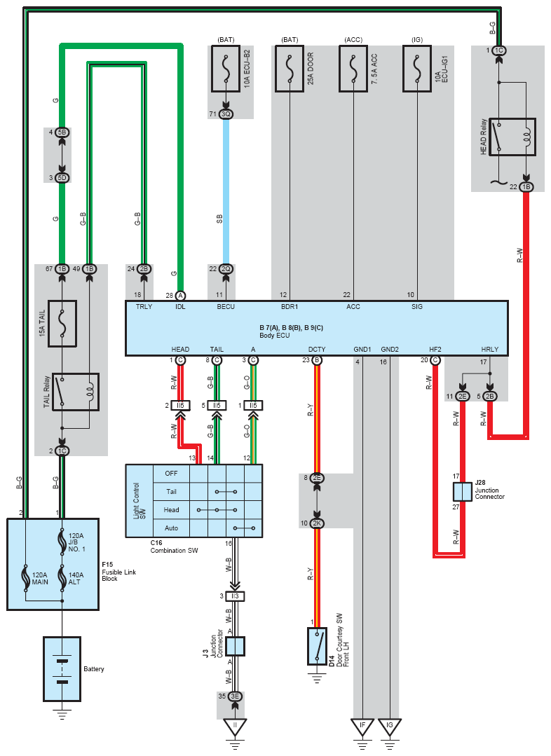
Light Auto Turn Off System: Notes

Fig 1: Light Auto Turn Off System Wiring Diagram
G08793935Courtesy of © TOYOTA, LICENSE AGREEMENT TMS1002