LEMON Manuals: Even more car manuals for everyone: 1960-2025
Home >> Toyota >> 2006 >> Land Cruiser >> Repair and Diagnosis >> Electrical >> Body Electrical >> OEM System Circuits >> Starting >> Notes
April 5, 2026: LEMON Manuals is launched! Read the announcement.

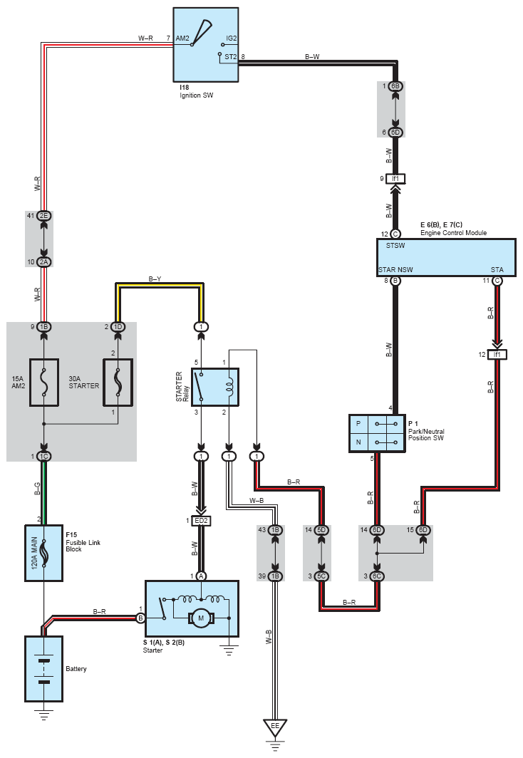
OEM System Circuits: Starting: Notes

Fig 1: Starting System Wiring Diagram
G08793896Courtesy of © TOYOTA, LICENSE AGREEMENT TMS1002