LEMON Manuals: Even more car manuals for everyone: 1960-2025
Home >> Toyota >> 2006 >> Land Cruiser >> Repair and Diagnosis >> Electrical >> Body Electrical >> OEM System Circuits >> Theft Deterrent >> Notes
April 5, 2026: LEMON Manuals is launched! Read the announcement.

Theft Deterrent: Notes

Fig 1: Theft Deterrent System Wiring Diagram (1 Of 8)
G08794021Courtesy of © TOYOTA, LICENSE AGREEMENT TMS1002
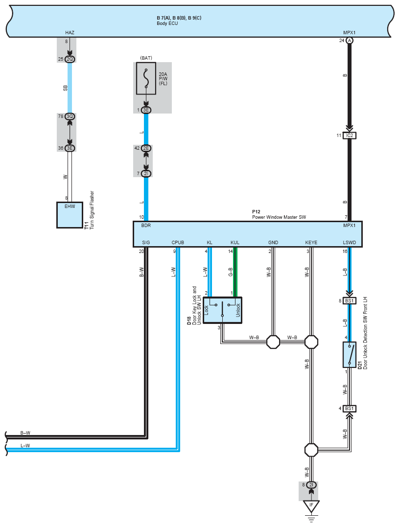
Fig 2: Theft Deterrent System Wiring Diagram (2 Of 8)
G08794022Courtesy of © TOYOTA, LICENSE AGREEMENT TMS1002
Fig 3: Theft Deterrent System Wiring Diagram (3 Of 8)
G08794023Courtesy of © TOYOTA, LICENSE AGREEMENT TMS1002
Fig 4: Theft Deterrent System Wiring Diagram (4 Of 8)
G08794024Courtesy of © TOYOTA, LICENSE AGREEMENT TMS1002
Fig 5: Theft Deterrent System Wiring Diagram (5 Of 8)
G08794025Courtesy of © TOYOTA, LICENSE AGREEMENT TMS1002
Fig 6: Theft Deterrent System Wiring Diagram (6 Of 8)
G08794026Courtesy of © TOYOTA, LICENSE AGREEMENT TMS1002
Fig 7: Theft Deterrent System Wiring Diagram (7 Of 8)
G08794027Courtesy of © TOYOTA, LICENSE AGREEMENT TMS1002
Fig 8: Theft Deterrent System Wiring Diagram (8 Of 8)
G08794028Courtesy of © TOYOTA, LICENSE AGREEMENT TMS1002