LEMON Manuals: Even more car manuals for everyone: 1960-2025
Home >> Toyota >> 2006 >> Land Cruiser >> Repair and Diagnosis >> Engine Performance >> System >> Engine Control System - System And Component Testing >> Air Fuel Ratio Sensor Relay >> On-Vehicle Inspection
April 5, 2026: LEMON Manuals is launched! Read the announcement.

On-Vehicle Inspection

  1. REMOVE A/F RELAY (Marking: A/F HTR) 
    1. Remove the engine room No. 8 relay block cover.
    2. Remove the relay from the engine room No. 8 relay block.
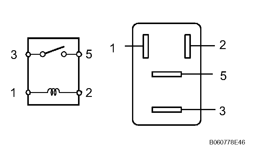
  2. CHECK A/F RELAY 
    1. Measure the resistance of the relay.

      Standard resistance 

      A/F RELAY

      Tester Connection Specified Condition
      3 - 5 10 kΩ or higher
      3 - 5 Below 1 Ω
      (when battery voltage is applied to terminals 1 and 2)
      Fig 1: Checking A/F Relay
      G04435557Courtesy of © TOYOTA, LICENSE AGREEMENT TMS1002

      If the result is not as specified, replace the relay.

  3. INSTALL A/F RELAY