LEMON Manuals: Even more car manuals for everyone: 1960-2025
Home >> Toyota >> 2006 >> Matrix 2WD L4-1.8L (1ZZ-FE) >> Repair and Diagnosis >> Powertrain Management >> Computers and Control Systems >> Information Bus >> Testing and Inspection >> Component Tests and General Diagnostics >> Check CAN Bus Line
April 5, 2026: LEMON Manuals is launched! Read the announcement.

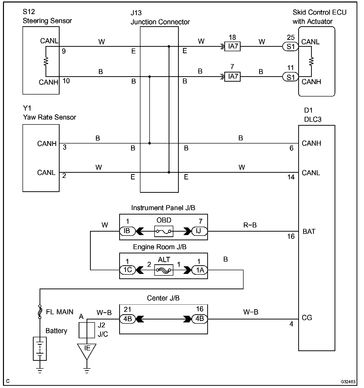
Check CAN Bus Line

CHECK CAN BUS LINE

CIRCUIT DESCRIPTION
When any DTC for the CAN communication is output, first measure the resistance between the terminals of the DLC3 and the yaw rate sensor connector to specify the trouble area.

Wiring Diagram:






Step 1-2:




Step 3-4:




INSPECTION PROCEDURE