LEMON Manuals: Even more car manuals for everyone: 1960-2025
Home >> Toyota >> 2006 >> Matrix 2WD L4-1.8L (1ZZ-FE) >> Repair and Diagnosis >> Powertrain Management >> Computers and Control Systems >> Information Bus >> Testing and Inspection >> Component Tests and General Diagnostics >> Yaw Rate Sensor Communication Stop Mode
April 5, 2026: LEMON Manuals is launched! Read the announcement.

Yaw Rate Sensor Communication Stop Mode

YAW RATE SENSOR COMMUNICATION STOP MODE

DTC Detecting Condition:




CIRCUIT DESCRIPTION

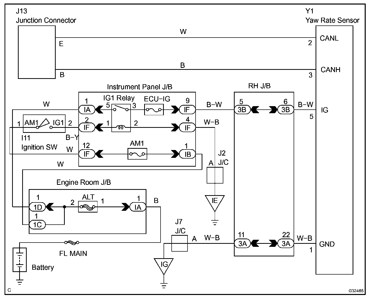
Wiring Diagram:






Step 1:




INSPECTION PROCEDURE