LEMON Manuals: Even more car manuals for everyone: 1960-2025
Home >> Toyota >> 2006 >> Matrix Base, 4WD >> Repair and Diagnosis >> Electrical >> Body Electrical >> OEM System Circuits >> Power Outlet for 115V >> Notes
April 5, 2026: LEMON Manuals is launched! Read the announcement.

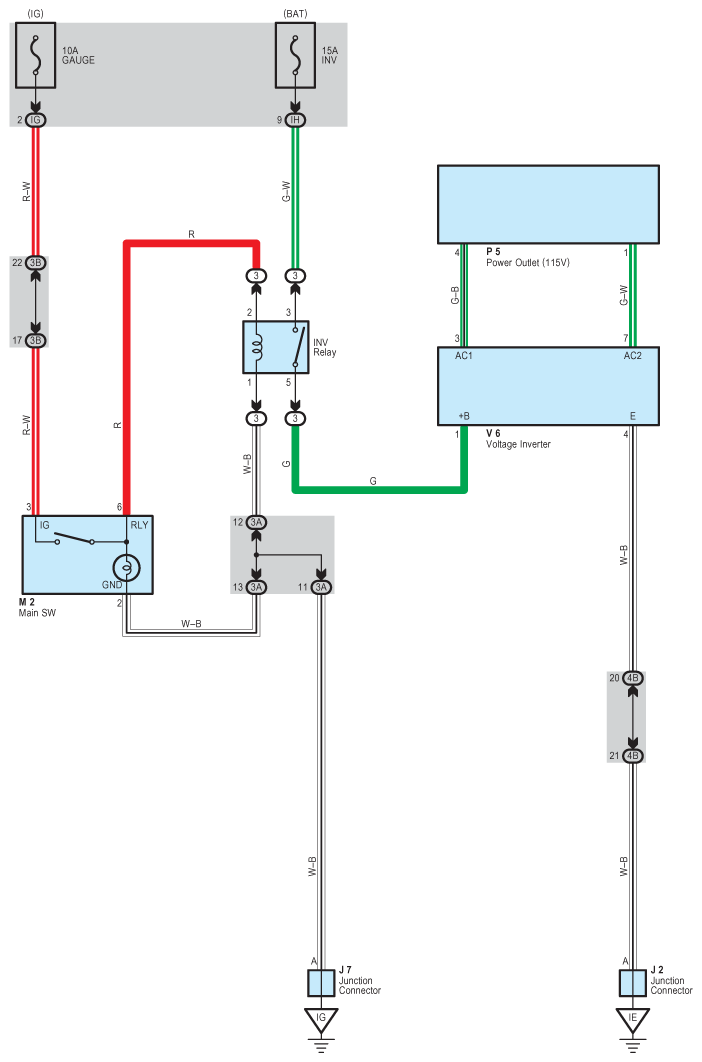
Power Outlet for 115V: Notes

Fig 1: Power Outlet System Wiring Diagram (For 115V)
G08838169Courtesy of © TOYOTA, LICENSE AGREEMENT TMS1002