LEMON Manuals: Even more car manuals for everyone: 1960-2025
Home >> Toyota >> 2006 >> Matrix Base, FWD, Automatic >> Repair and Diagnosis (Single Page) >> Accessories & Equipment >> Cruise Control Systems >> Cruise Control System >> CRUISE CONTROL SYSTEM (w/Electronic Throttle Control System) >> Cruise Control Switch Circuit >> Wiring Diagram
April 5, 2026: LEMON Manuals is launched! Read the announcement.

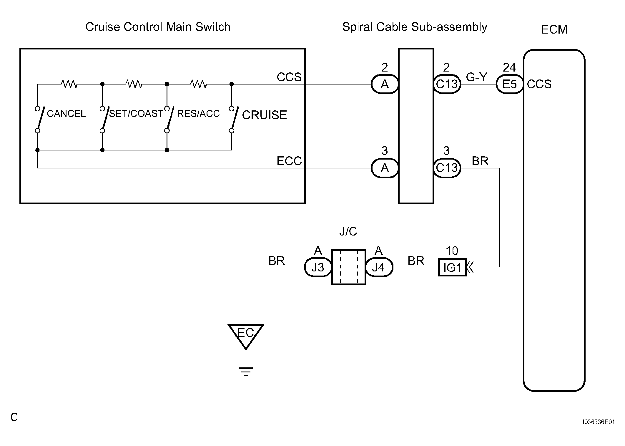
Cruise Control Switch Circuit: Wiring Diagram

Fig 1: Cruise Control Switch Circuit Wiring Diagram
G04466346Courtesy of © TOYOTA, LICENSE AGREEMENT TMS1002