LEMON Manuals: Even more car manuals for everyone: 1960-2025
Home >> Toyota >> 2006 >> Matrix Base, FWD, Automatic >> Repair and Diagnosis (Single Page) >> Accessories & Equipment >> Infotainment >> Audio/Visual System >> Audio And Visual System >> System Diagram
April 5, 2026: LEMON Manuals is launched! Read the announcement.

System Diagram

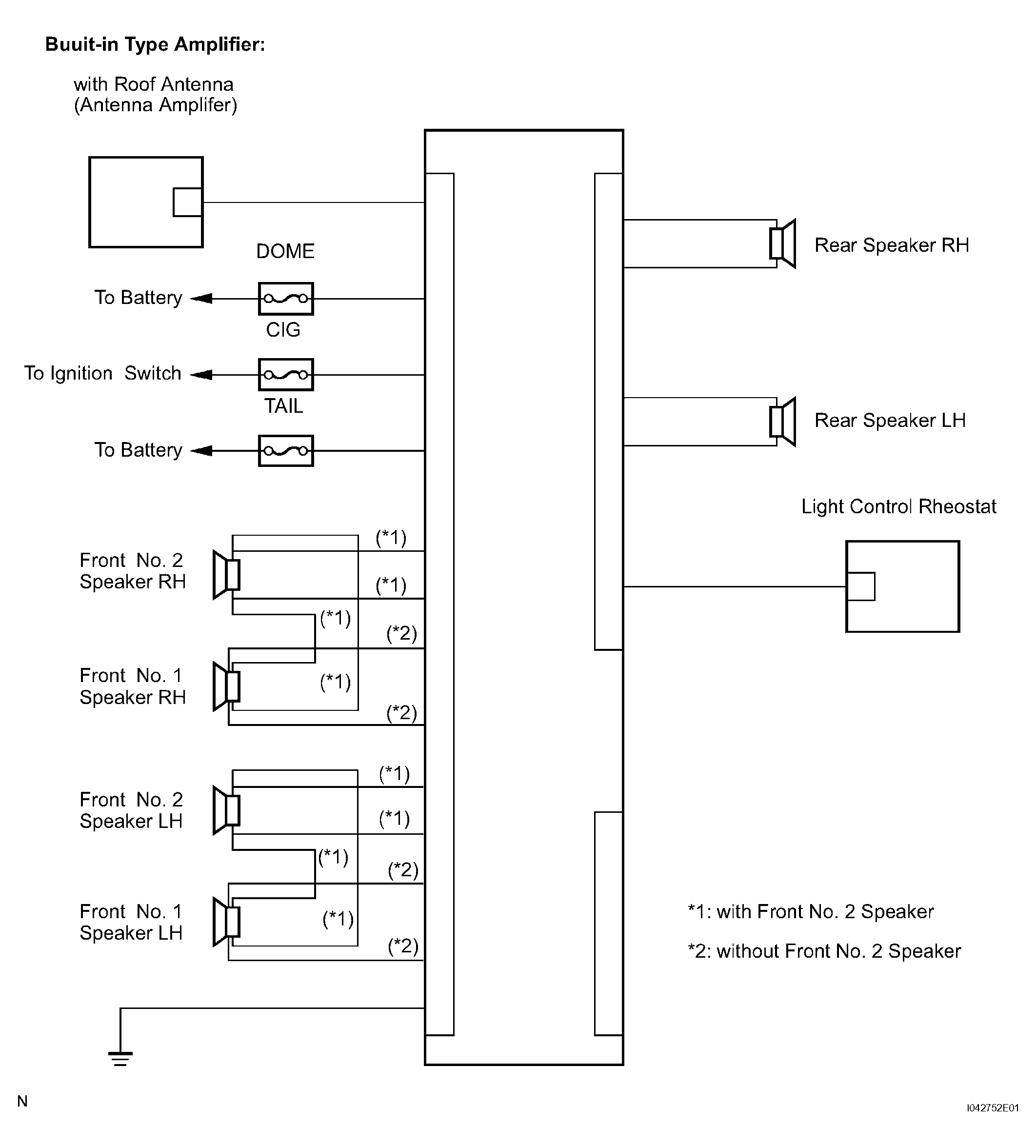
Fig 1: Audio And Visual System Diagram (Built In Type Amplifier)
G04466659Courtesy of © TOYOTA, LICENSE AGREEMENT TMS1002
Fig 2: Audio And Visual System Diagram (Separate Type Amplifier)
G04466660Courtesy of © TOYOTA, LICENSE AGREEMENT TMS1002