LEMON Manuals: Even more car manuals for everyone: 1960-2025
Home >> Toyota >> 2006 >> Matrix Base, FWD, Automatic >> Repair and Diagnosis (Single Page) >> Electrical >> Body Electrical >> OEM System Circuits >> Headlight >> Notes
April 5, 2026: LEMON Manuals is launched! Read the announcement.

OEM System Circuits: Headlight: Notes

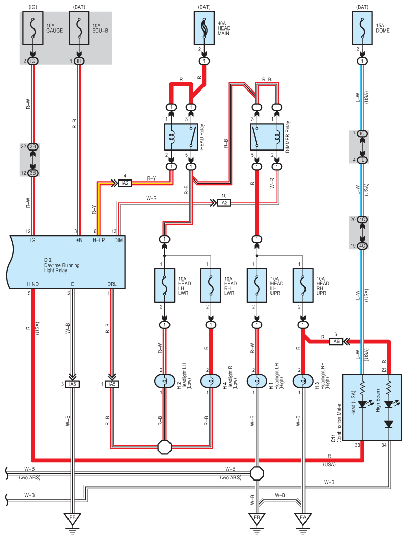
Fig 1: Headlight System Wiring Diagram (1 Of 2)
G08838150Courtesy of © TOYOTA, LICENSE AGREEMENT TMS1002
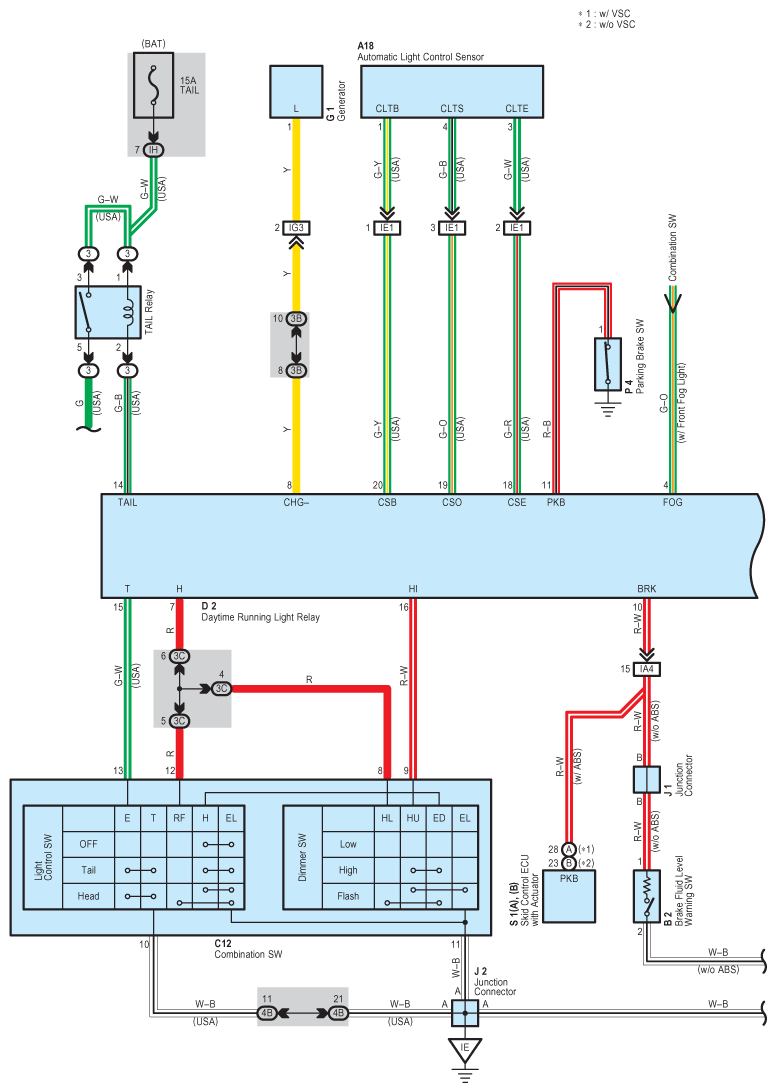
Fig 2: Headlight System Wiring Diagram (2 Of 2)
G08838151Courtesy of © TOYOTA, LICENSE AGREEMENT TMS1002