LEMON Manuals: Even more car manuals for everyone: 1960-2025
Home >> Toyota >> 2006 >> Matrix Base, FWD, Automatic >> Repair and Diagnosis (Single Page) >> Transmission >> Automatic Trans >> Automatic Transmission - A246E >> Automatic Transaxle System >> DTC P0705 Transmission Range Sensor Circuit Malfunction (PRNDL Input); DTC P0850 Park / Neutral Switch Input Circuit >> Wiring Diagram
April 5, 2026: LEMON Manuals is launched! Read the announcement.

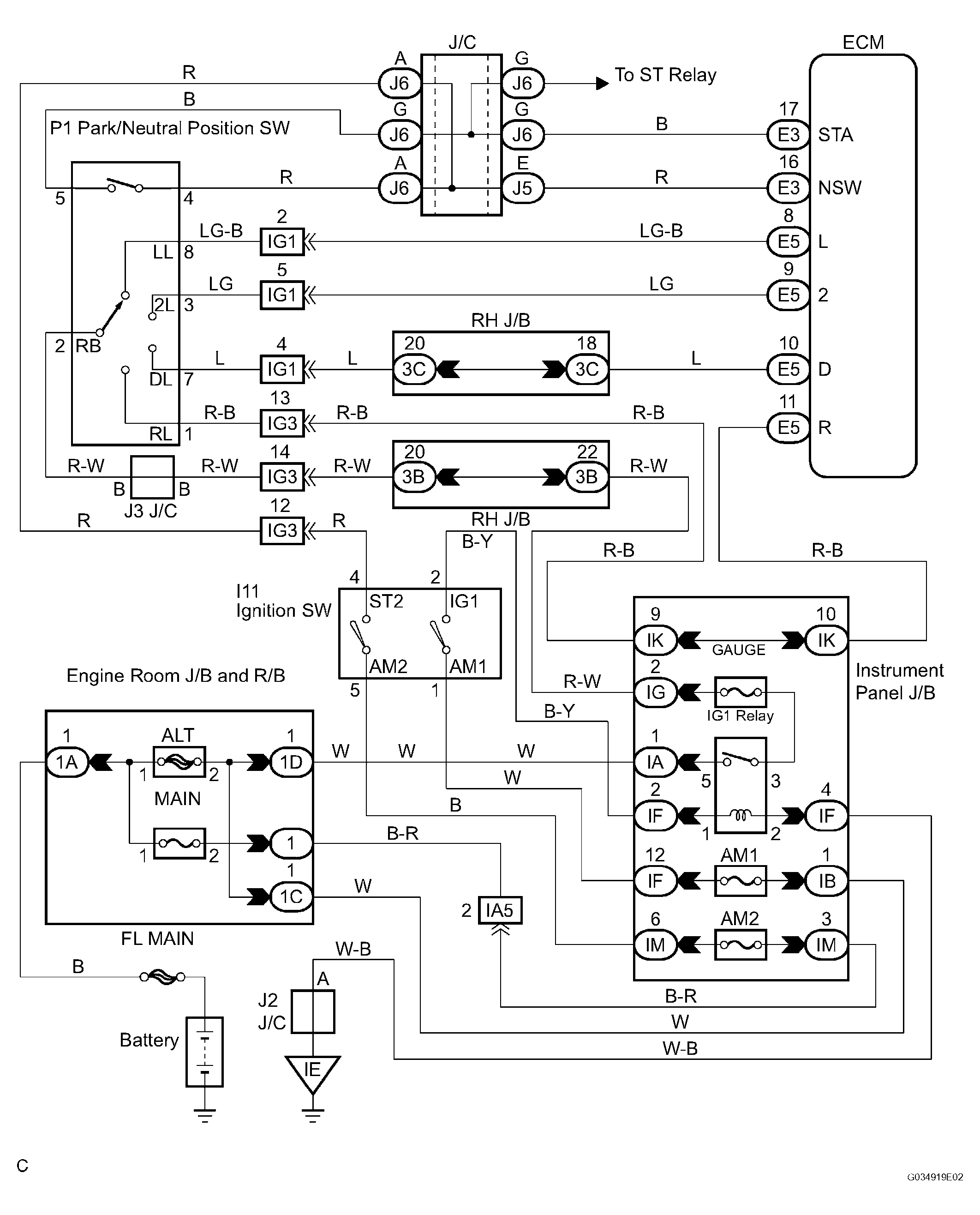
DTC P0705 Transmission Range Sensor Circuit Malfunction (PRNDL Input); DTC P0850 Park / Neutral Switch Input Circuit: Wiring Diagram

Fig 1: Transmission Range Sensor Wiring Diagram
G04462610Courtesy of © TOYOTA, LICENSE AGREEMENT TMS1002