LEMON Manuals: Even more car manuals for everyone: 1960-2025
Home >> Toyota >> 2006 >> Matrix Base, FWD, Automatic >> Repair and Diagnosis >> External Pages >> Different variant/trim >> Section 9 (Engine Control System (2ZZ-GE)) >> SFI System >> ECM Power Source Circuit >> Wiring Diagram
April 5, 2026: LEMON Manuals is launched! Read the announcement.

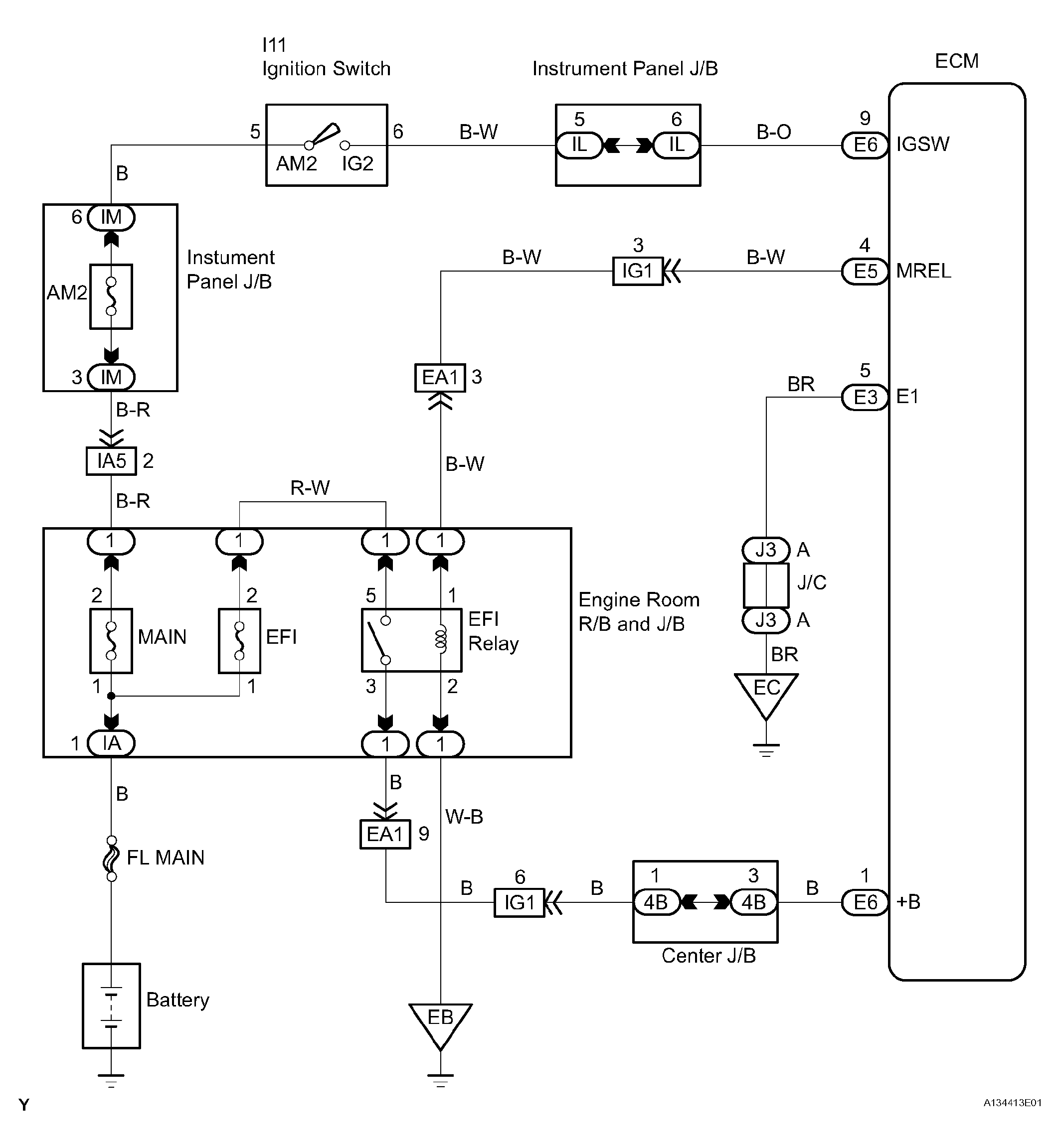
ECM Power Source Circuit: Wiring Diagram

WARNING: This page is about a different variant/trim than selected.
Fig 1: ECM Power Source Circuit - Wiring Diagram
G04460862Courtesy of © TOYOTA, LICENSE AGREEMENT TMS1002