LEMON Manuals: Even more car manuals for everyone: 1960-2025
Home >> Toyota >> 2006 >> Matrix Base, FWD, Standard >> Repair and Diagnosis >> Electrical >> Body Electrical >> OEM System Circuits >> ABS and Tire Pressure Warning System >> Notes
April 5, 2026: LEMON Manuals is launched! Read the announcement.

ABS and Tire Pressure Warning System: Notes

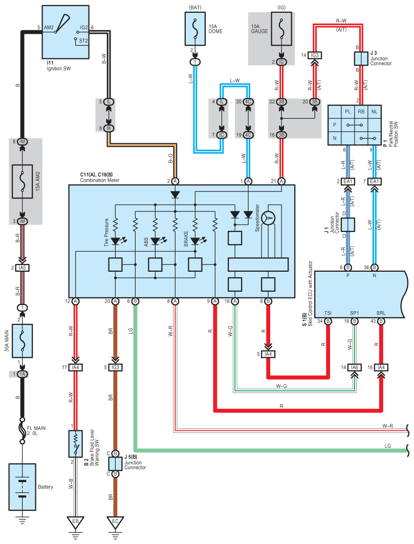
Fig 1: ABS And Tire Pressure Warning System Wiring Diagram (1 Of 2)
G08838205Courtesy of © TOYOTA, LICENSE AGREEMENT TMS1002
Fig 2: ABS And Tire Pressure Warning System Wiring Diagram (2 Of 2)
G08838206Courtesy of © TOYOTA, LICENSE AGREEMENT TMS1002