LEMON Manuals: Even more car manuals for everyone: 1960-2025
Home >> Toyota >> 2006 >> Matrix XRS >> Repair and Diagnosis >> Electrical >> Body Electrical >> OEM System Circuits >> Heater >> Notes
April 5, 2026: LEMON Manuals is launched! Read the announcement.

OEM System Circuits: Heater: Notes

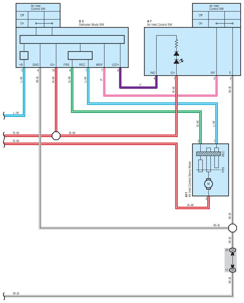
Fig 1: Heater System Wiring Diagram (1 Of 2)
G08838227Courtesy of © TOYOTA, LICENSE AGREEMENT TMS1002
Fig 2: Heater System Wiring Diagram (2 Of 2)
G08838228Courtesy of © TOYOTA, LICENSE AGREEMENT TMS1002