LEMON Manuals: Even more car manuals for everyone: 1960-2025
Home >> Toyota >> 2006 >> Matrix XRS >> Repair and Diagnosis >> Electrical >> Body Electrical >> OEM System Circuits >> Radiator Fan >> Notes
April 5, 2026: LEMON Manuals is launched! Read the announcement.

Radiator Fan: Notes

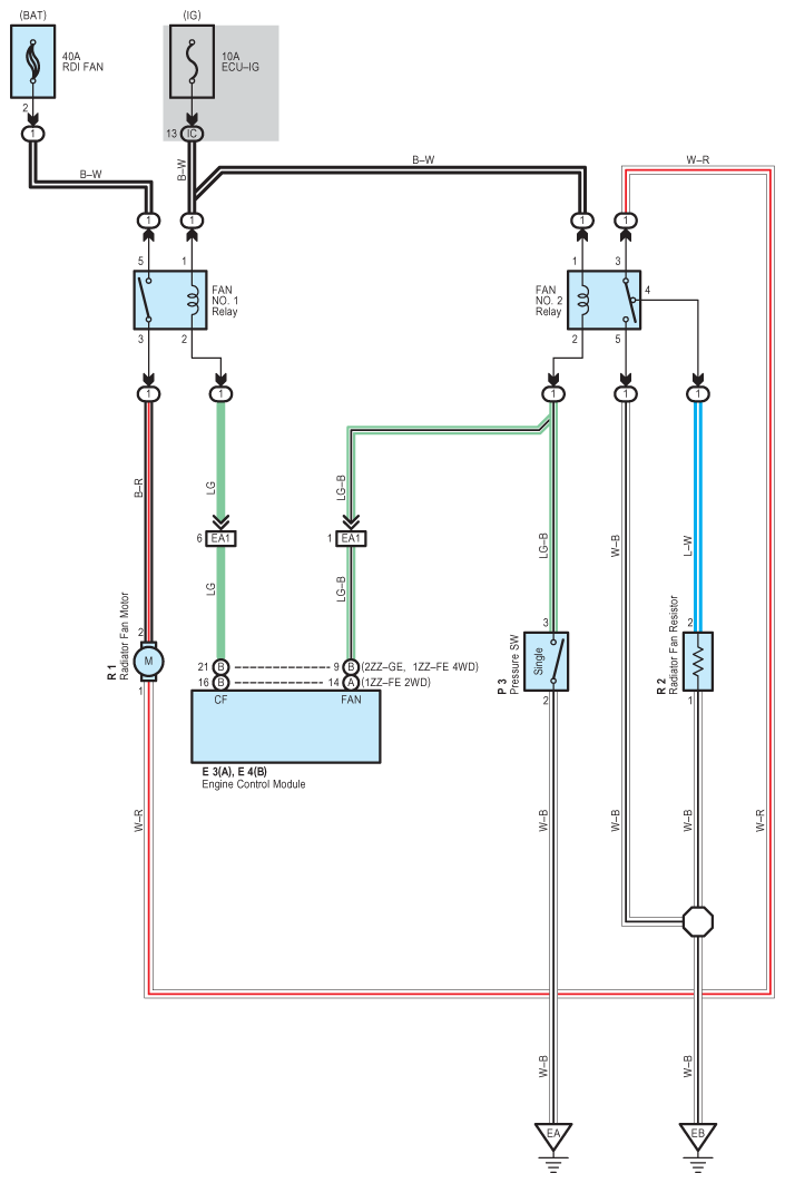
Fig 1: Radiator Fan System Wiring Diagram
G08838226Courtesy of © TOYOTA, LICENSE AGREEMENT TMS1002