LEMON Manuals: Even more car manuals for everyone: 1960-2025
Home >> Toyota >> 2006 >> Matrix XRS >> Repair and Diagnosis >> Electrical >> Body Electrical >> OEM System Circuits >> SRS >> Notes
April 5, 2026: LEMON Manuals is launched! Read the announcement.

OEM System Circuits: SRS: Notes

NOTE: When inspecting or repairing the SRS, perform service in accordance with the following precautionary instructions and the procedure, and precautions in the Repair Manual applicable for the model year.
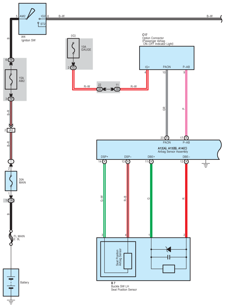
Fig 2: SRS System Wiring Diagram (1 Of 4)
G08838208Courtesy of © TOYOTA, LICENSE AGREEMENT TMS1002
Fig 3: SRS System Wiring Diagram (2 Of 4)
G08838209Courtesy of © TOYOTA, LICENSE AGREEMENT TMS1002
Fig 4: SRS System Wiring Diagram (3 Of 4)
G08838210Courtesy of © TOYOTA, LICENSE AGREEMENT TMS1002
Fig 5: SRS System Wiring Diagram (4 Of 4)
G08838211Courtesy of © TOYOTA, LICENSE AGREEMENT TMS1002