LEMON Manuals: Even more car manuals for everyone: 1960-2025
Home >> Toyota >> 2006 >> Prius >> Repair and Diagnosis >> Electrical >> Body Electrical >> OEM System Circuits >> Multi-Display and Audio System with Separate Amplifier >> Notes
April 5, 2026: LEMON Manuals is launched! Read the announcement.

Multi-Display and Audio System with Separate Amplifier: Notes

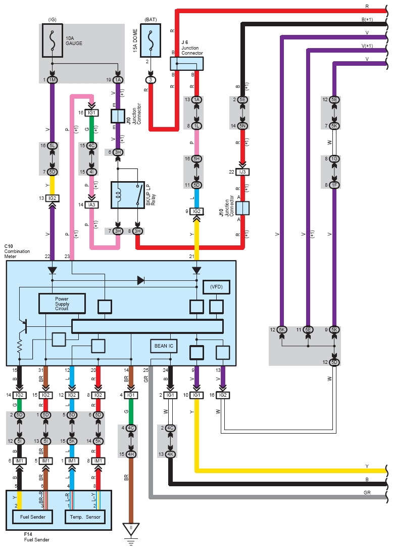
Fig 1: Multi-Display And Audio System With Separate Amplifier System Wiring Diagram (1 Of 7)
G08794849Courtesy of © TOYOTA, LICENSE AGREEMENT TMS1002
Fig 2: Multi-Display And Audio System With Separate Amplifier System Wiring Diagram (2 Of 7)
G08794850Courtesy of © TOYOTA, LICENSE AGREEMENT TMS1002
Fig 3: Multi-Display And Audio System With Separate Amplifier System Wiring Diagram (3 Of 7)
G08794851Courtesy of © TOYOTA, LICENSE AGREEMENT TMS1002
Fig 4: Multi-Display And Audio System With Separate Amplifier System Wiring Diagram (4 Of 7)
G08794852Courtesy of © TOYOTA, LICENSE AGREEMENT TMS1002
Fig 5: Multi-Display And Audio System With Separate Amplifier System Wiring Diagram (5 Of 7)
G08794853Courtesy of © TOYOTA, LICENSE AGREEMENT TMS1002
Fig 6: Multi-Display And Audio System With Separate Amplifier System Wiring Diagram (6 Of 7)
G08794854Courtesy of © TOYOTA, LICENSE AGREEMENT TMS1002
Fig 7: Multi-Display And Audio System With Separate Amplifier System Wiring Diagram (7 Of 7)
G08794855Courtesy of © TOYOTA, LICENSE AGREEMENT TMS1002