LEMON Manuals: Even more car manuals for everyone: 1960-2025
Home >> Toyota >> 2006 >> Prius >> Repair and Diagnosis >> Electrical >> Body Electrical >> OEM System Circuits >> Multiplex Communication System - CAN Bus >> Notes
April 5, 2026: LEMON Manuals is launched! Read the announcement.

Multiplex Communication System - CAN Bus: Notes

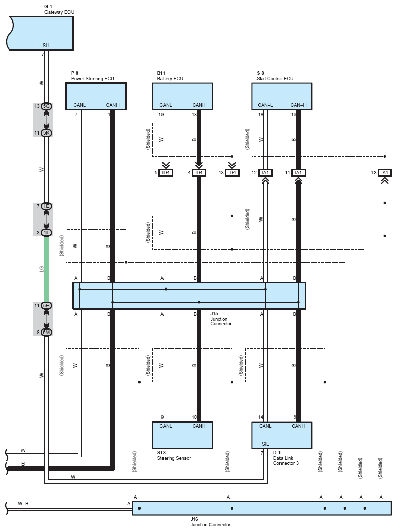
Fig 1: Multiplex Communication (CAN Bus) System Wiring Diagram (1 Of 2)
G08794685Courtesy of © TOYOTA, LICENSE AGREEMENT TMS1002
Fig 2: Multiplex Communication (CAN Bus) System Wiring Diagram (2 Of 2)
G08794686Courtesy of © TOYOTA, LICENSE AGREEMENT TMS1002