LEMON Manuals: Even more car manuals for everyone: 1960-2025
Home >> Toyota >> 2006 >> RAV4 Base, 2.4 D, AWD >> Repair and Diagnosis >> Body & Frame >> Windows >> Windshield/WINDOWGLASS >> Window Defogger System >> System Diagram >> Wiring Diagram
April 5, 2026: LEMON Manuals is launched! Read the announcement.

System Diagram: Wiring Diagram

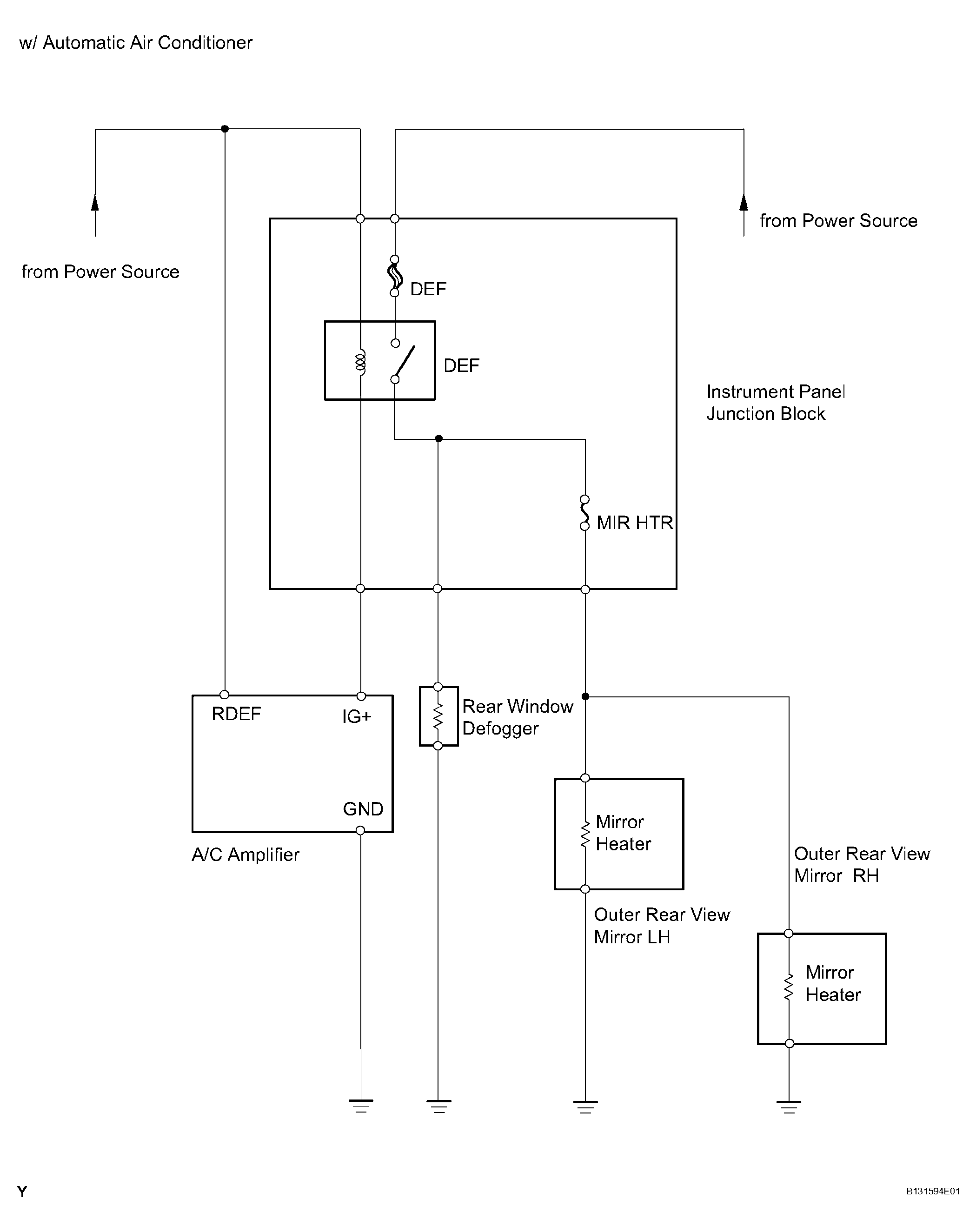
Fig 1: Window Defogger System Diagram (1 Of 2)
G04491463Courtesy of © TOYOTA, LICENSE AGREEMENT TMS1002
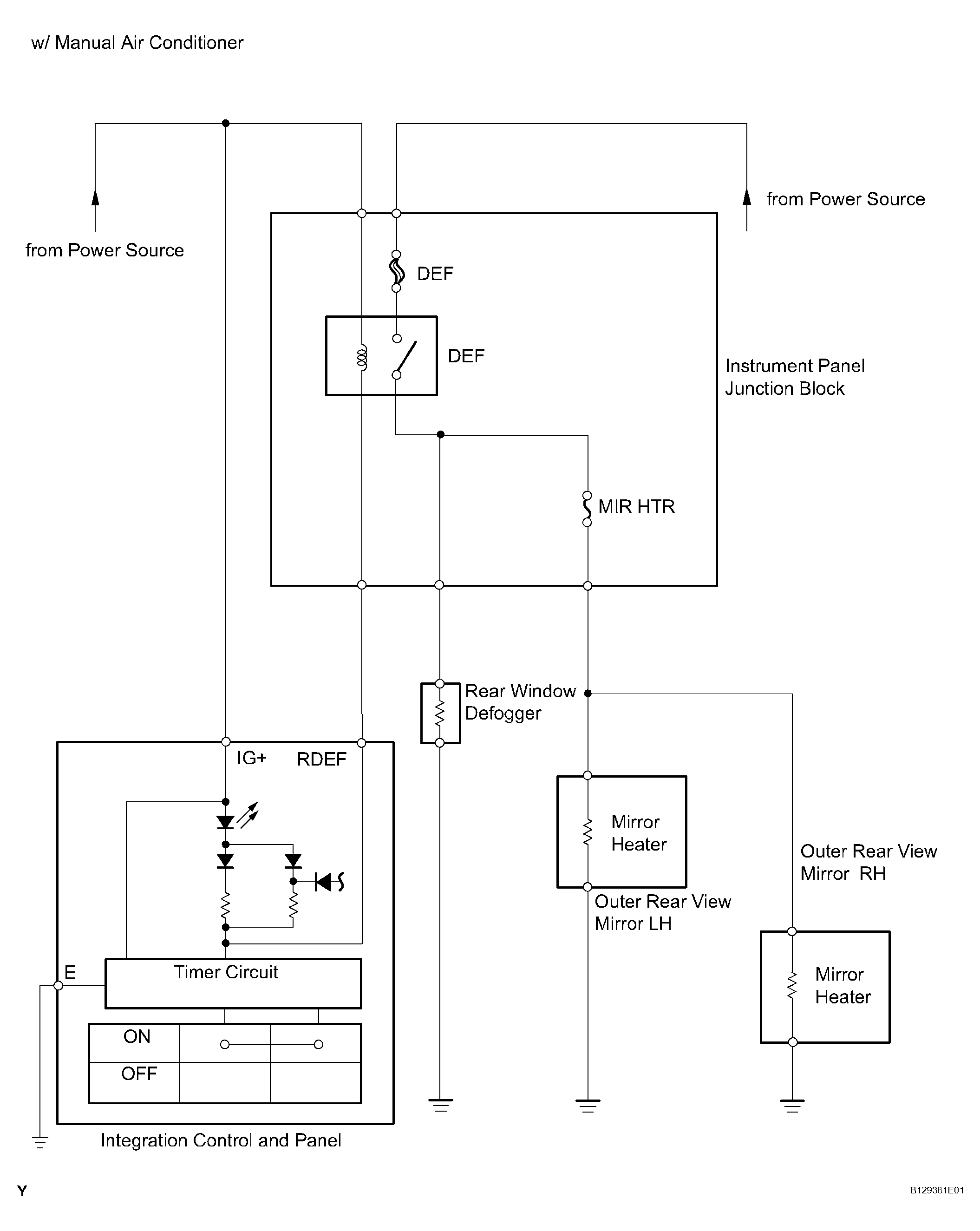
Fig 2: Window Defogger System Diagram (2 Of 2)
G04491464Courtesy of © TOYOTA, LICENSE AGREEMENT TMS1002