LEMON Manuals: Even more car manuals for everyone: 1960-2025
Home >> Toyota >> 2006 >> RAV4 Base, 2.4 D, AWD >> Repair and Diagnosis >> Engine Performance >> Engine Control System (2AZ-FE) >> SFI System >> ECM Power Source Circuit >> Wiring Diagram
April 5, 2026: LEMON Manuals is launched! Read the announcement.

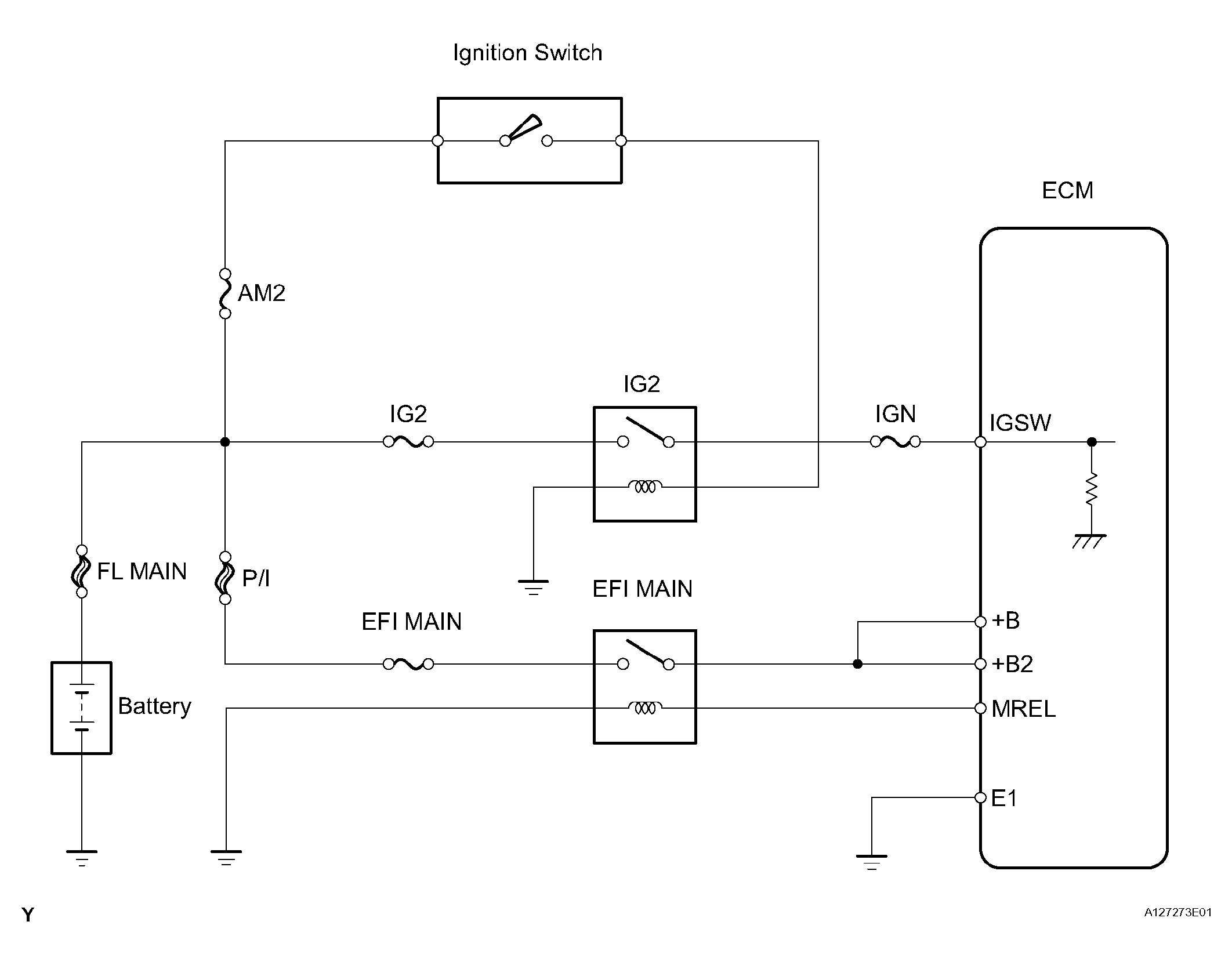
ECM Power Source Circuit: Wiring Diagram

Fig 1: ECM Power Source Circuit - Wiring Diagram
G04484047Courtesy of © TOYOTA, LICENSE AGREEMENT TMS1002