LEMON Manuals: Even more car manuals for everyone: 1960-2025
Home >> Toyota >> 2006 >> RAV4 Base, 2.4 D, AWD >> Repair and Diagnosis >> Engine Performance >> Engine Control System (2AZ-FE) >> SFI System >> Fuel Pump Control Circuit >> Description
April 5, 2026: LEMON Manuals is launched! Read the announcement.

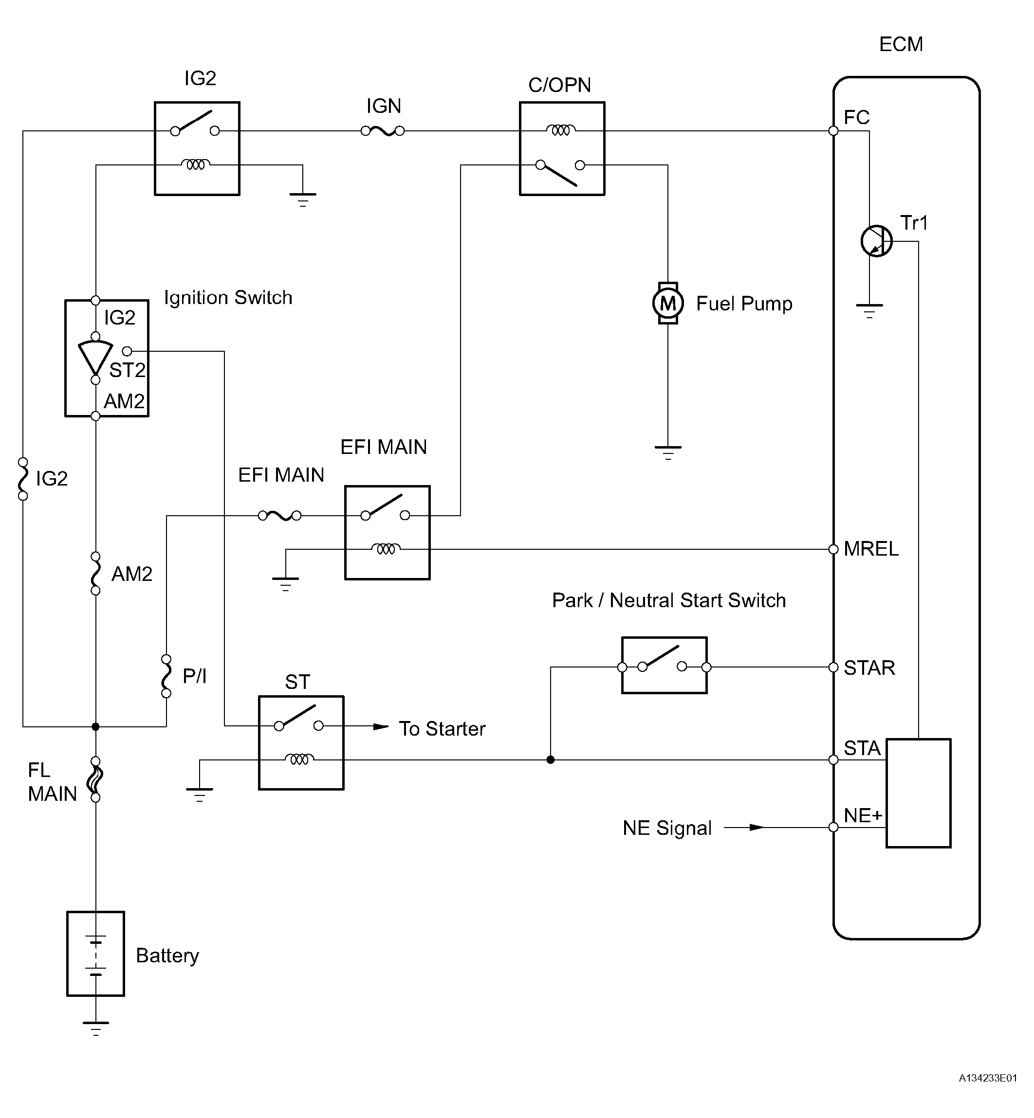
Fuel Pump Control Circuit: Description

When the engine is cranked, the starter relay drive signal output from the STAR terminal of the ECM is input into the STA terminal of the ECM, and NE signal generated by the crankshaft position sensor is also input into the NE+ terminal. Thus, the ECM interprets that the engine is cranked, and turns the transistor Tr1 in the ECM internal circuit ON. The current flows to the C/OPN (Circuit Opening) relay by turning the Tr1 ON. Then, the fuel pump operates.

While the NE signal is input into the ECM, when the engine is running, the ECM turns the Tr1 on continuously.

Fig 1: Description Fuel Pump Control Circuit
G04484063Courtesy of © TOYOTA, LICENSE AGREEMENT TMS1002