LEMON Manuals: Even more car manuals for everyone: 1960-2025
Home >> Toyota >> 2006 >> RAV4 Base, 2.4 D, AWD >> Repair and Diagnosis >> External Pages >> Different variant/trim >> Section 2 (Engine Control System (2GR-FE)) >> SFI System >> DTC P2118 Throttle Actuator Control Motor Current Range / Performance >> Description
April 5, 2026: LEMON Manuals is launched! Read the announcement.

DTC P2118 Throttle Actuator Control Motor Current Range / Performance: Description

WARNING: This page is about a different variant/trim than selected.

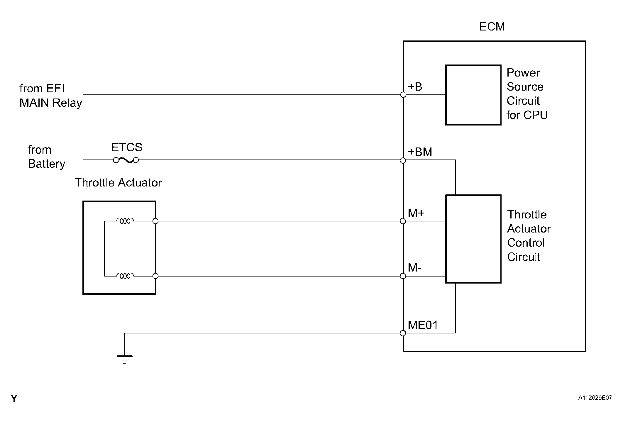
The ETCS (Electronic Throttle Control System) has a dedicated power supply circuit. The voltage (+BM) is monitored and when it is low (less than 4 V), the ECM determines that there is a malfunction in the ETCS and cuts off the current to the throttle actuator.

When the voltage becomes unstable, the ETCS itself becomes unstable. For this reason, when the voltage is low, the current to the throttle actuator is cut. If repairs are made and the system returns to normal, turn the ignition switch OFF. The ECM then allows the current to flow to the throttle actuator so that it can be restarted.

HINT:

The ETCS does not use a throttle cable.

Fig 1: Description - Throttle Actuator Control Motor Circuit
G04484390Courtesy of © TOYOTA, LICENSE AGREEMENT TMS1002
DTC DETECTION CONDITION AND TROUBLE AREA REFERENCE

DTC No. DTC Detection Conditions Trouble Areas
P2118 Open in ETCS power source (+BM) circuit
(1 trip detection logic)
  • Open in ETCS power source circuit
  • Battery
  • Battery terminals
  • ETCS fuse
  • ECM