LEMON Manuals: Even more car manuals for everyone: 1960-2025
Home >> Toyota >> 2006 >> RAV4 Base, 3.5 K, AWD >> Repair and Diagnosis >> Engine Performance >> Engine Control System (2GR-FE) >> SFI System >> System Diagram
April 5, 2026: LEMON Manuals is launched! Read the announcement.

System Diagram

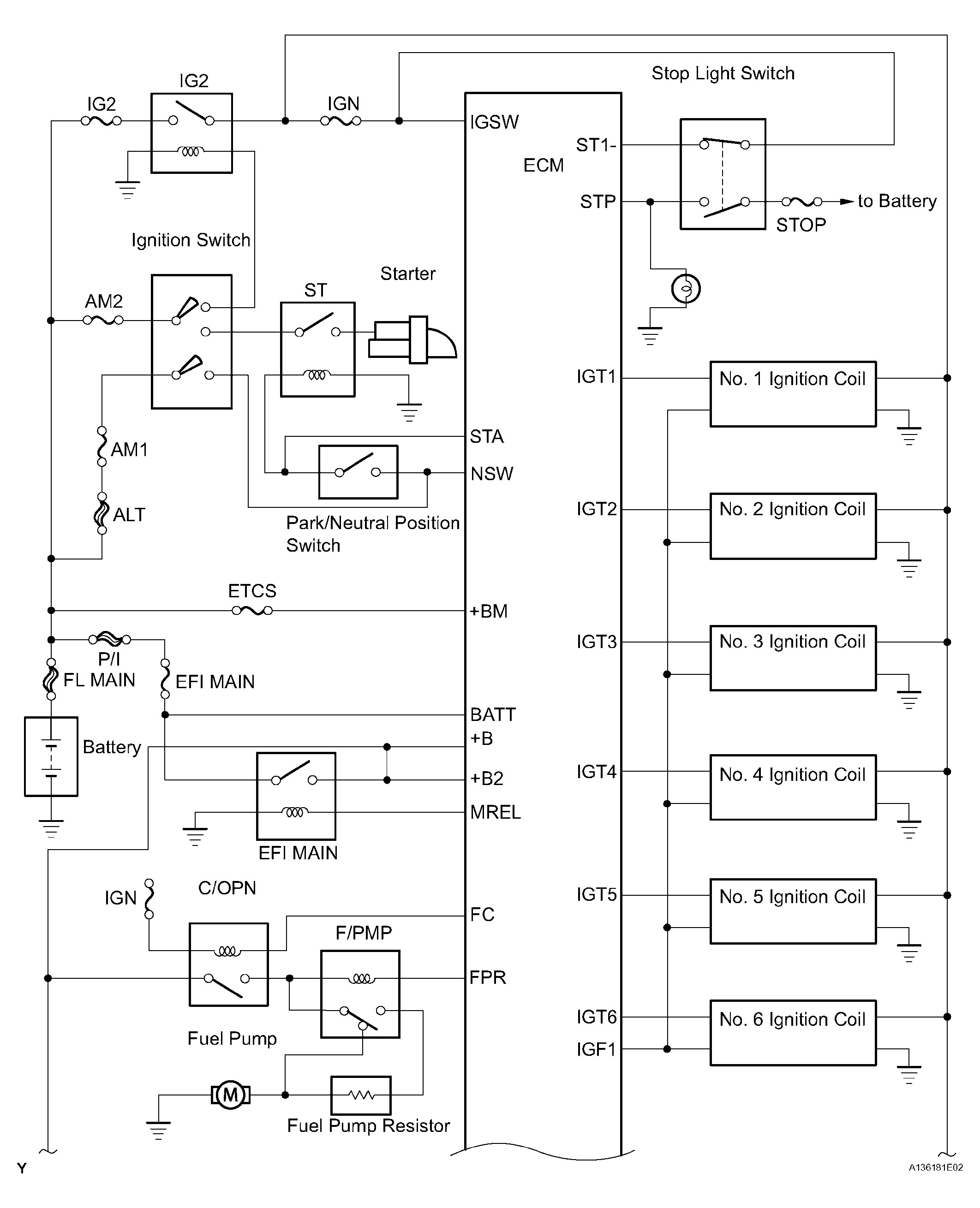
Fig 1: Engine Control System Diagram (1 Of 4)
G04484158Courtesy of © TOYOTA, LICENSE AGREEMENT TMS1002
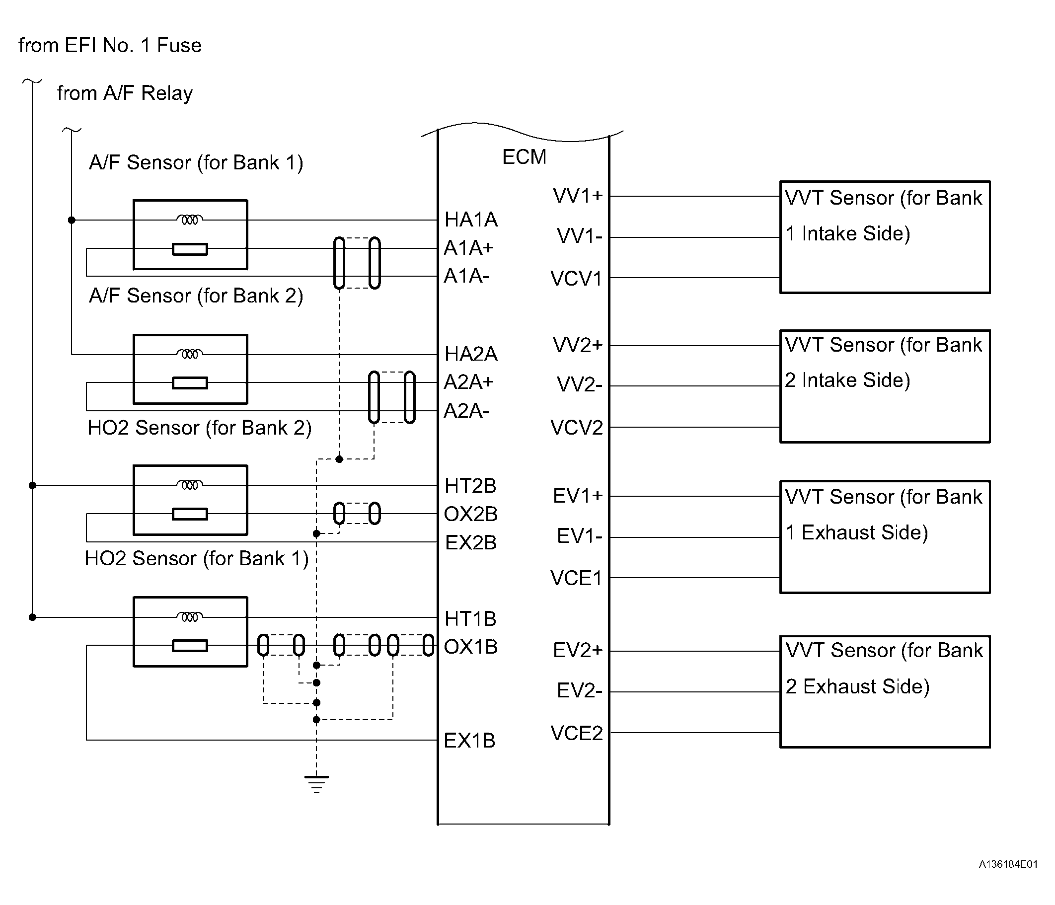
Fig 2: Engine Control System Diagram (2 Of 4)
G04484159Courtesy of © TOYOTA, LICENSE AGREEMENT TMS1002
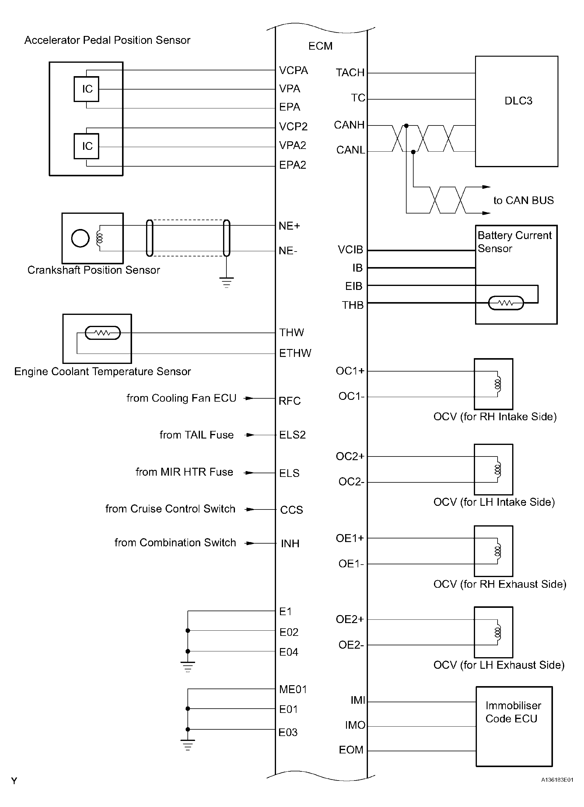
Fig 3: Engine Control System Diagram (3 Of 4)
G04484160Courtesy of © TOYOTA, LICENSE AGREEMENT TMS1002
Fig 4: Engine Control System Diagram (4 Of 4)
G04484161Courtesy of © TOYOTA, LICENSE AGREEMENT TMS1002